Inter Stage, medium and large Signal

Lundahl has a magnificent series of universal, signal transformers. There is nothing like it from any vendor, which is so universal.
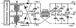
These transformers are programmable, which is done by re arranging the many windings. These are the "Alt" configurations by the data sheet.
Since these transformers have PCB pins anyway, we developed this programmable Board for it, which fits nicely on the transformer. |
Interstage & Line
Interconnect |