Do you like this page?
Name: Pedro Cadete
Date: 24-04-2024
Country: Portugal
Subject: AV302B
Sometimes things develop in an interesting way. This is a beautiful amplfier, in many ways. It uses the rare and amazingly good AVVT AV302B. Circuit topology is perfect, and no, the volume control NOT at the input. Finally :) The circuit Interstage coupled and has a well constructed power supply.
When designing an electron tube, there is no replacement for Emission. Well, the filament of this old AVVT 302B tube, draws almost twice the current, and it has twice the Emission of regular 300B. In addition, this makes the tube last a lot longer. Without long stories about tube design, let me say this was one of the best 300B tubes ever made. Period. But, buyers make heir own rules, not asking if it is right or wrong. This very high heater current was always questioned, and it was complained of being not Western Electric compatible. We sold only few of those. Lucky however, who owns a pair now. Not many were ever made, and with the closure of AVVT, now decades ago, these few pairs are traded like gold.
Pedro Cadete, was one of the few buyers, 25 years ago. But…. now in 2024 his project is finished, and working excellent. I can make a little bit fun about this, because Pedro is an airline pilot, and these people are trained on doing things right, and rushing is never an option. It means understanding everything, and have all technical documentation + emergency plans at hand. It means, finishing the checklist first, and then when things are moving, after the point of no return, there is no other option as to go for lift off :) To me it looks, he did this project with this in mind. I hope Pedro, I say it right.
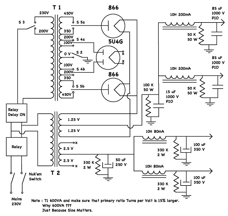
For the details and full schematics I refer to this document which Pedro send me, to publish it here.
Name: Dimitrios Naoumidis
Date: 07.06.2018
Country: Greece
Subject: EML 300B
Amplifier: Canary Audio M-350 (monoblocks 50W- 4X300B/channel)
Turntable: Hanns T-60 Belt Drive
Tonearm: IKEDA IT-407 Long
Cartridge: Miyajima kansui
Tuner: Vincent STU-1
Preamplifier: Canary Audio CA-903 4 chassis
Phono: Korato 10th Anniversary
Amplifier: Canary Audio M-350 (monoblocks 50W- 4X300B/channel)
CD player: AMR CD 777
Speakers: Duevel Jupiter
Cables: interconnects Audionote silver AN-Vx 31
Cables: power Nexus Acoustics
Power Conditioner: Exact Power EP15A/SP15A
Rack: Audio Magic
Name: Antanas Kilda
Date: 13.07.2017
Country: Lithuania
Subject: 300B Classical Amplifier Kit
This is another beautiful build by Antanas Kilda from Lithuania. It features the new EML300B-XLS-V4, with octal socket, and center tapped heater, for less distortion and more output power. This amplifier delivers 2x 13Watt Single Ended.
Name: Eric Saubesty
Date: 22.7.2017
Country: France
Subject: 300B Amplifier
Hy Jac,
you can use the photos if you want. I’m well aware about the heating voltage importance for tube lifetime. In France, at least at Arcachon (with good proper nuclear power plant), the AC input level seems quite regular, after various verifications at various hours. I have quite exactly 5VAC without any tweaks on both triodes. I Had to limit 6V3 for the D3A due to very low consumption on 6V3 in regards to the transformer characteristics. The AC minimum hum level at outputs with speakers connected seems to be around 7 to 8mV.
I have made the best possible in wiring to avoid CEM noise. My technical choice was to make something as simple and basic as possible, like in the 30th. So no DC regulated heating, no enormous capacitors, and the less components as possible. The negative bias is not the safest solution, but I took the risk for the two designs, PP KT88 and SE 300B. I don’t want big capacitors on cathode like with automatic bias. I’m using the 300B amp on the medium/high part of a Klipsch Heresy from 1973.
The bass are assumed by two Mullard 5-20 like PP KT88 mono blocks, made with the same aesthetic, delivering a punchy 30W (measured). The PP KT88 is absolutely hum free, and it is not possible to ear if it is running or not even with the head inside the boomer. I’m electronic engineer in military aerospace, and the CEM protection is not a secret for me. With the new tubes, the SE300B hum and HF noises are not audible with the head more than 10cm from the middle horn. I’m using a DSP as pre-amplifier, digital room correction & cross over (numeric parts of MINI-DSP 2X4HD+ 4 X PCM1794A Dac with hand made low noise power supply).
My source is mainly Qobuz streaming now, with the sublime+ offer (24bit/96Khz streaming). But I’m not sure to make difference between Hy-res and CD quality level… Before using the home made DAC, the standard analog output of the MiniDSP was quite noisy on HF. Now, you can’t say if it is power or not event with the head on the horn. Now, I’m hopping to not have premature failure on one the new tubes. I had to by 6 JJ KT88. One failed after a week (I heard a clack after power off during thermal change, and the top of the tube became white :( leak !). I have now only one spare. But no failure in two years. After a few hours I’m quite sure that the emissionLabs offer a real improvement. Best regards.

Name: Antanas Kilda
Date: 13.07.2017
Country: Lithuania
Subject: 300B Classical Amplifier Kit
This is a beautiful build of our 300B tube kit, by Antanas Kilda from Lithuania. Very interesting is the elegant housing, self-made by Antanas. The shape is made possible by the flat size of the Lundahl SE transformers and the Lundhal choke, so these will fit all inside. Also the mains transformer is larger of course, and is outside of the chassis, where it belongs. Like this only one transformer cap was needed.
by using a double deck plate, there are only four screws visible. Also the side plates are double,
and screws to mount transformers etc. became invisible from the outside.

Look at the interesting way, the chassis parts fit together. All together, this worked out so nice.

Electrical description and schematics are here:
www.jacmusic.com/kits/amp/300B/300B/index.htm
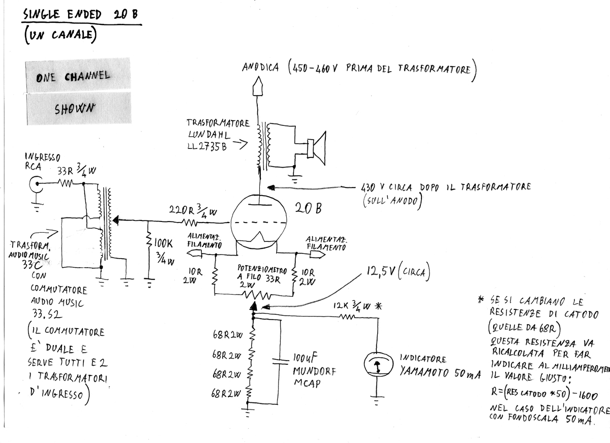
Name: Pierluigi Cumin
Date: 23.12.2016
Country: Italy
Subject: OTA (One-Tube-Amplifier) with 20B and 5U4G.
Greetings from Italy!
I would like to share with you some photos of my DIY integrated amplifier. This one was in my mind for some years until I decided to build it after thinking that it was the time to have a “definitive” amplifier because I had built other 2 “cheap” amplifiers, but I was never fully satisfied by them, so I started to think of the “big one”. It is an integrated amplifier that is on duty in my liquid setup (computer audio: personal computer, usb to spdif converter, dac, amplifier, speakers). My choice was to build a very simple circuit, but using the best components I can buy, so here comes the description: from the unbalanced input the signal is fed into an input transformer that gives a 6dB boost, at the same time on the secondary side(s) of that transformer a rotary selector varies the volume switching between the 33 secondaries, after that follows a loading resistor and a grid stopper resistor feeding the signal into the grid of an Emission Labs 20B DHT that drives the primary of a Lundahl LL2735B output transformer (and the speaker on the secondary), the 20B tube operates in auto bias fashion with a nice Yamamoto panel meter for bias current indication, the filament runs AC. In the power supply section an Emission Labs 5U4G Mesh is used for full wave rectification feeding a choke input filter consisting of various stages to try to isolate the two channels. Only Mundorf film capacitors are used in both power supply and cathode bypass, the tubes are installed in beautiful Yamamoto teflon sockets. So it is a one tube per channel amplifier, if I have to describe how it sounds in one word I would say transparent. I would like to thank you all for giving me the possibility of building this thing that i’m enjoying for more then 3 years now, I hope you like my photos and I would like to wish you all Merry Christmas and happy new year!
Pierluigi Cumin
This set up includes:
Name: Peter Ellis + George Lenz
Date: 16.4.2015
Country: USA
Subject: EML45 Lifetime +23.000 hours, test like new.
This is a exceptionally detailed report, send in by our American distributer George Lenz, who is in contact about this with his customer Peter Ellis. To say it in a few words: Peter Ellis purchased a new pair of EML45 in 2007, and has now +23000 hours on them, and they test like new on a Hickok tester. The tubes are in daily use, with a timer to wake up it's owner every morning, and there is an hour counter on the whole setup. Here is the complete, original report.
Jac
****************************************
Sent from my iPhone
Begin forwarded message:
From: "Peter Ellis" <ellisp@xxx.ca>
Date: April 16, 2015 at 3:44:53 PM EDT
To: "George Lenz" <glenz10183@xxx.com>
Subject: FW: Audio picturesHi George,
Here are a few pictures of the 45 amp and the elapsed time meter. The elapsed time meter was zeroed 22 months ago; I was originally planning to zero it every year but forgot June of 2013. It averages between 3400 and 3500 hours per year and the variance is due only to the number of days I am away from the house. This amp it turned on every day with a time clock switch so it wakes me up every morning and it is on for approximately 9.6 hours every day that I am here (almost always). I received the amp back in March of 2008 to the best of my memory and it has played every day since except for the rare holiday I take away from the house/ laboratory. I had difficulty with light so I had to move the amp to where I could get some pictures. I am going to leave the WE 717a tubes in because I prefer them to the original red 5693's. Both the 5693's and the EML 45 solid plates were in the amp since new. I tested both the EML 45's and the 5693's this week with my tester. I use a Hickok model RD Instruments 1575 for Research and Development - it appears identical to the Hickok Western Electric version KS-15750-L2 and uses the same roll chart to test all the Western Electric tubes.
It is stunning to me that the EML 45's still test nearly the same as when I received them 7 years ago and with somewhere between 23,000 to 24,000 hours on them. The results are as follows:
1. EML 45 2200 /min 1100 100% = 1692
2. EML 45 2025/ min 1100 100% = 1692These tubes test better than my two NOS EML 45 Globe tubes that test at 1925 and 1800. I use these sparingly because they are rare. I tested the 45 solid plates back in Sept of 2013 and they tested the same as they did this week. I am amazed at how durable these tubes are.
After seven years the RCA 5693's tested as follows:
1. RCA 5693 1400 / min 1075 100% = 1649
2. RCA 5693 1250 / min 1075 100% = 1649When these tubes were new they tested around 2000. Although they are considered 10,000 hr tubes they have also held up well considering they have in excess of 23,000 hr on them. The RCA 5Z3 rectifier also tests great so this Kurashima 45 amp is very easy on the tubes.
Sorry if the pictures are not great; our house is quite dark with the surrounding large trees. Let me know if you want me to try to take some better pictures.
Cheers,
Peter
Name: C.K. van der Wolf
Date: 8.1.2015
Country: Nederland
Subject: EML 300B-XLS


Na het invullen van een stukje op de recensie website leek het me wel aardig te laten zien op wat voor versterker de buizen gebruikt worden. Op de eerste foto zijn de nieuwe buizen in bedrijf te zien, op de tweede foto de oude buizen.
De versterker is een zelfgebouwd eigen ontwerp met de volgende kenmerken:
Bij inschakelen gebeurt het volgende: Gloeispanning voor alle buizen, negatieve roosterspanning - 103 V voor 300B.
Naar mijn gevoel worden de eindbuizen hiermee in de watten gelegd en met een dissipatie van 400 V x 80 mA moet een lang leven voor ze weggelegd zijn.
Name: Marc Tassoul
Date: 26.12.14
Country: Netherlands
Subject: EML 2A3-Mesh
![]() |
![]() |
|---|
Marc
Name: Marc Tassoul
Date: 19.09.2016
Country: Netherlands
Subject: EML 2A3-Mesh
Bij thuiskomst uiteraard zo snel mogelijk de Sovtek 2A3’s vervangen door de EML’s en tegelijkertijd de AZ1’s vervangen door de mesh exemplaren.
Het heeft best lang geduurd voordat eea los is gekomen; al die tijd vond ik dat de eerdere Sovteks niet echt onderdeden voor de EML’s . . . wel aardig - zoiets. Het is natuurlijk een super project (7 jaar van idee tot realisatie), en dan wil je jezelf graag overtuigen dat het echt heel erg mooi is, en dat was het ook.
Maar sinds een paar weken lijkt alles prachtig los te zijn gekomen - . . . (voeg zelf een aantal superlatieven toe, naar smaak) - en ik zit nu wekelijks een aantal keren gewoon lekker plaatjes te draaien, echt fantastisch. Ik houd vooral van live opnames, en die komen er zo mooi uit, nu, dynamisch, ruimtelijk, enz. enz. Prachtig !
Ik stuur je nog eens foto’s met de EML’s.
Hele vriendelijke groet,
Marc
![]() |
![]() |
![]() |
|---|---|---|
![]() |
![]() |
![]() |
Name: Hans Kortenbach & Cees Pel
Date: 23-08-2014
Country: Germany
Subject: EML 300B-Mesh



Beste Jac,
Twee pakketten met als inhoud alle bestelde buizen werden gistermiddag door DHL bezorgd; we waren met name heel nieuwsgierig naar de EML 300B Mesh buizen en dus hebben Cees Pel en ondergetekende ze gisteravond, vers uit de doos, beluisterd.
Welnu dat was een buitengewoon aangename verrassing; Jac dit is absoluut een pracht buis; we waren allebei behoorlijk onder de indruk. Ze werden aangebracht in een monoblock versterker van topkwaliteit door Cees ontworpen en gebouwd en uitgevoerd met Tamura trafo's, interstage gekoppeld, interstage- en uitgangstrafo's in Permalloy, Blackgate en Western Electric condensators, originele Western Electric 205D driverbuis, de voorversterker eveneens met Tamura en Telefunken AD101 buizen; kortom een buitengewoon mooie set. We verwisselden de Western Electric 300B buizen tegen de EML 300B's en wie schetst onze verbazing; na een half uur luisteren keken we elkaar aan, een diepe zucht en "ze klinken zo op het eerste gehoor nog mooier dan de Western Electrics!"
Jac het is jammer dat je zover weg woont want we hadden dit moment graag samen met jou beleefd!
artelijke groet en ik wens je een mooi weekeinde
Hans
p.s. Het is ook zeker vermeldenswaard dat we de CD's via fieldcoil luidsprekers hebben beluisterd
Name: Falk Eichmann
Date: 25-06-2014
Country: Germany
Subject: 1605 - 20B Amplifier

This 1605 amplifier is designed by the "Sakuma" concept. This means, driving a SE output tube with a driver stage which looks possibly the same. By this, even harmonics are cancelled to a great part, and uneven harmonics are generated very little by triodes anyway. It works best, when you have two triodes of the same kind, so like here two directly heated tubes. To achieve the gain needed (as you have only two triodes), a1:2 step interface was used and a 1:2 input transformer. So the amplifier has no pre-stage. Only a driver stage and an output stage. Interestingly, any hum or noise problems, coming from the pre-stage tube we do not have it here. Including the gain of the 20B-V4 driver tube, the total gain of this driver stage becomes 2x20x2 = 80, which is sufficient for the 1605 output tube. This amplifier is made with the "V4" series tubes, which have a physical cathode connection. (Another Sakuma Project here).
Power Tube: EML1605, with LL1623-120mA Output transformer
Driver Tube: EML20B, with LL2746-30mA Step up interstage
Step up Input Transformer LL1570-XL
Circuit Diagram - Power Supply
Name: Erik Ekelund
Date: 16-04-2014
Country: AUSTRALIA
Subject: All EML Amplifier
Hi Jac
Here is an example picture of my latest project. EML20 driving EML300BXLS V4 through LL1660. 3x Lundahl chokes. Choke-input PSU configuration. Separate tube rectified power supplies for input and driver stages. I always have felt DHT driving DHT through Lundahl interstage has the most beautiful sound.
Regards,
Erik
Name: George Lenz
Date: 14-05-2014
Country: USA
Subject: 50 Amplifier
50 Amplifier by Time Bandit
Name: George Manios
Date: 29-04-2013
Country: Greece
Subject: 20B OTA. (One Tube Amplifier)
Name: Claus Fonnesbek
Date: 07-01-2013
Country: Danmark
Subject: C3m 300B-XLS Amplifier
Yamamoto A09 Special Version. By Claus Fonnesbek.
Hi Jac
I have now completed the first mono block and wanted to send you some pictures of the result, hope you like them.
Best Regards
Claus Fonnesbek
Name: Maciej Lenar and Marcin Sołowiow (Amare Musica)
Date: 02-10-2012
Country: Poland
Subject: “Trinity” PSE 300B, with EML-20B driver tube.
Name: Peter Willemen
Date: 09-04-2012
Country: Netherlands
Subject: EML-300B-XLS single-end tube monoblokken
Hier zijn drie foto's van het project met 2 single-end tube monoblokken met de door jouw geleverde EML-300B-XLS buizen en 1 tube pre-amplifier. De buizen klinken geweldig, geen brom ruis enz. De mooie Yamamoto tube-shields geven een extra dimensie aan de versterkers. De trafo's zijn gemaakt door een trafo bouwer. Perfecte aflevering van de componenten.
Met vriendelijke groet,
Peter Willemen
Name: Sridhar Ganti
Date: 27-12-2011
Country: Germany
Subject: Parafeed linestage with EML 30A
The EML 30A parafeed linestage is one of the cleanest linestages I have ever built. I have built quite a few, starting with 5687, 6AK5, C3m, 6P5 and 6L5G. The sound also got progressively better in that order, but when I finished the EML 30A linestage, it just blew all them away. The clarity, dynamism, soundstage, bass, treble, mid-range -- all just clicked together. The music equipment is not the primary focus, but the music itself.
I had trouble with power transformer humming, and this was picked up by the tubes even though I was using teflon sockets. I unwired the power transformer and the tube sockets, and mounted them on rubber grommets, and now my system is silent. This cured the little hum I was getting from the power transformer vibration. I will be re-implementing the tube isolation with the mechanism showed on Jac's site using Yamamoto Base plates.


The EML 30's are fed with their own separate filament supply going into the tent filament supply. The reason I went with tent supply is, because it is easy :-), and the voltage remains fixed at 5V. Here in Alameda, California, the wall voltage varies a bit, and reading all the warnings on filament supply variation, I went with tent labs to be on the safe side.
My supporting system consists of low powered 845 monoblocks I built. The driver is a triode connected 46. The picture and schematics are attached. Essentially, mine is a all DHT system. My speakers are Zu Audio Soul Superfly. I am taking delivery of Zu Audio Definition Mk IV - the latest version in Definition series tomorrow, so it would be interesting to see how the sound improves [hopefully :-)]"
Regards
Ganti
Name: Holger Barske
Date: 30-11-2011
Country: Germany
Subject: All Telefunken amplifier

This picture was placed here with the kind permission of Holger Barske. Picture made at European Triode festival, Stella, France, 2011. Personally I like this picture so much. It reminds me of a ship in a bottle. Think of how to get in the parts. This should be fun at an exhibition. All people want to look inside, through the filling hole :)
Estimated price for the TFK tubes I see here, if NOS: Pair of ECC83S 350 Euro, Pair of EL34, 500 Euro, RGN1064, 150 Euro. So 1000 Euro for the tubes, 5 Euro for the RF shielded housing :) Wonderful project. The owner is unknown to me, but perhaps he reads this, and would like add his comments here. Be welcome!
Name: Mike Bondarev
Date: 24-11-2011
Country: Russia
Subject: EML300B-XLS
Hello, dear Jac!
The project is totally finished and I can report - the sound is simply GREAT! Including are the photos for your web page. It seems I'll need more tubes soon. I'll keep in touch with you.
With best regards,
Mike
Moscow, Russia
Name: Kris Preston
Date: 11-06-2011
Country: Poland
Subject: EML5U4G, EML300B
Hello Jac, I would like to join the group of tube equipment lovers. Many important items I bought from you. After a long time I finished making system which includes:
Many thanks and best regards
Kris, Wroclaw (Breslau), Poland
Name: Joaquín Iglesias R
Date: 03-04-2011
Country: Chile
Subject: EML 45-Mesh
Dear jac,
I've e been using your tubes , the 45 mesh , very , very good . Please if you are so kind the manofacturer of my amplifier who is Japanese want to have the amplifier on the section of " Link page to professional users of our tubes" he is a professional . So im attaching you a picture of the amplifier . Please this are the data we love to see on the link to pro users .
- 2A3/45 Single Ended Amplifier
- Using 2x45 mesh plate EML labs
- Manufacturered by Mr. Lagarto San in Chiba Japan
- Photo Courtesy of Mr. Joaquín Iglesias
Thanks a lot let me kwnow when its up !!
Best regards. joaquín
Link to http://www.single-ended.com
Name: Rou Lorenco
Date: 06-01-2011
Country: Portugal
Subject: EML 45-Globe (Anniversary Version)
Dear Mr. Jac Van de Walle.
My best wishes for 2011.
Following my recent buying of Lundahl iron from you, please find attached a photo of my recent preamplifier, please look at the Lundahl power transformer and first choque. The other iron are Hashimoto choques and Output transformers. The preamp is based around 2 WE417A valves (one for each chanel) and 5AR4 rectifier, 3 double 100uF/500V Elna Cerafine (my new old stock), all internal cabling is copper Nordost for power, and Cryogenic Silver from Audio Consulting for signal. Finally a TKD pot and 2 TDO resistors to lower plate voltage from 200V to 180V, others are Shinkoh resitors (1 for signal). Filaments are DC powered through Tentlabs modules.
Hope you like it.
My best regards
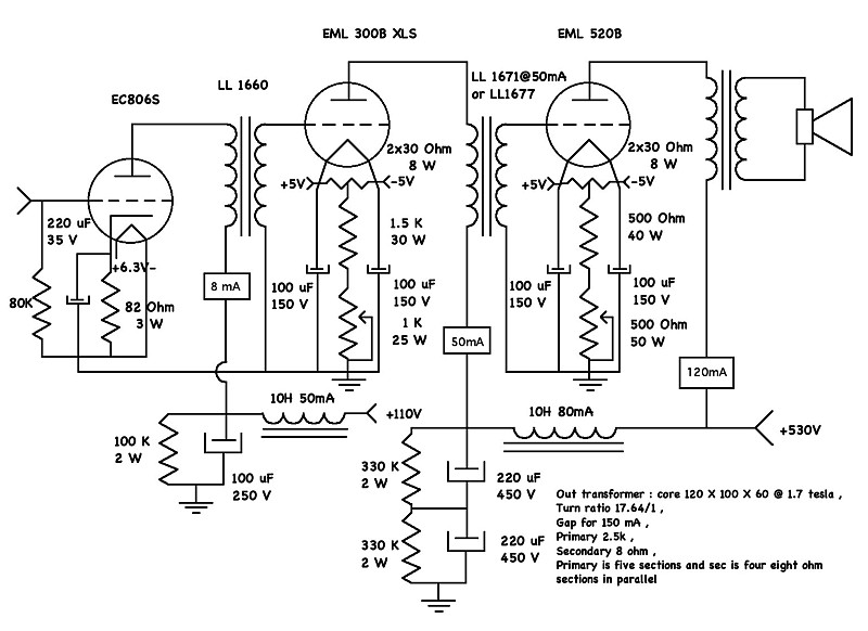
Name: George Manios
Date: 31.07.2010
Country: Greece
Subject: EML-520B
Dear Jac
The tubes arrived last monday.I did the final adjustments and here is a picture of the amp. The path goes as : EC806 LL1660 , 6A3 LL1671@50mA , 520B (Out transf. core 120 X 100 X 60 @ 1.7 tesla turn ratio 17.64/1 primary 2.5k sec 8 ohm primary is five sections and sec is four eight ohm sections in parallel )
I was really amazed by the built quality of the 520 tubes. The 520 tubes are set at 495V and 140mA (plate dissipation 69 Watt) I was wondering if that's to much for them.
All The Best
G.Manios

Night view picture of George Manios' second "no-compromise" amplifier. Driving Altec 604 Speakers.
Comment by Jac: Watch this! Here is a somebody doing such an excellent design job. This amplifier has a concept I once called "Sakuma" style, and this designation has been picked up by others now. It means you drive a DHT output tube with another, possibly similar curves DHT output tube. It is beyond the purpose of this page to explain the virtues of this. Reference literature I only found from Rainer zur Linde, a German tube book author who did this with the AD1 tube. It is mentioned in the original Barkhausen tube theory books, and of course Mr. Sakuma from Japan practises this with great results.
520B-V3 Amplifier Schematic. On par with some of the purest amplifier designers from Japan.



Power Supply sectionm, mechanical works of the 520B amplifier
Schematics of the George Manios 520B amplifier
Name: Augusto Sá Monteiro
Date: 19.06.2010
Country: Portugal
Subject: EML 45-Globe (Anniversary Version)
Hello JAC,
What offers me to say after 300 hours of listening.
Music through the EML 45 GLOBE is an alive, organic and vibrating entity. I do not have the sensation to be listening to reproduced music as it’s so real and natural. I often found myself having a greater pleasure than the one reached in a concert hall. And the secular dimension of music is entirely preserved.
How human is the human voice!
How evident is the difference between a Stradivarius and a Guarnerius del Gesù!
How clearly a Bösendorfer demarcates from a Steinway!
But what is a body without soul? That I feel in full when the EML 45 GLOBE carries me to a dimension from beyond when listening to a Bach’s Cantata.
Blessed hands those that carried out the task to bring up this master piece of art.
My Equipment:
Kind regards,
Augusto

Yamamoto A08S Single ended tube amplifier.
Name: Reinout de Vries
Date: 25.11.2009
Country: Netherlands
Subject: EML 300B-XLS
Good afternoon Jac,
as promised some pictures and text for your website. I am proud to be amongst all these fine projects i see here.
My current audio set consists of:
The power amplifiers deliver 70 Watt single ended Class A. The output triodes are pre-WWII transmitting triodes from Philips. The American equivalent is the well known 833A. These triodes are fired through a step down interstage using EML 300B's. I have the 300B-XLS and the 300B-Mesh. And it is a matter of taste what to choose; both perform excellent !. The 300B-driver is essential in these amplifiers for the output triodes want to see a very stable driver.
The amplifiers are fully hard-wired. All needed voltages do have there own power line consisting of power transformer - rectifier - snubber - coil - capacitor - coil - capacitor. This adds up to a total of 32 coils and transformers. And as these amplifiers run on 1200 Volt everything is quite large. The complete amplifier weighs more than 300 kgs.
Here are some pictures of another Project, with the TG35 a secret tip!
35TG datasheet can be found here
Name: Huw Brandt
Date: 14.11.2009
Country: Denmark
Subject: EML 300B-XLS
Hi Jac
I never showed you my final pictures of the amp I built using your 300B-XLS so I thought I might just send you some pictures of the final build, se enclosed. It´s the JE Labs 300B schematic but with modified PSU, NO! electrolytic caps and only high grade components, sounds FANTASTIC!!

I recently picked up a nice pair of NOS (1991) Vaic 300B-SL tubes and started to investigate the history of EML and Vaic and Kroon but little is mentioned about Mr Vaic on the web. Please could you tell me short what happened after they split. Do you have any plans to make the 6SN7 or 6SL7 tubes in the future? I will be back for some new tubes later. Take care.
Best regards
Huw
Name: Oliver Mai
Date: 11.4.2009
Country: Germany
Subject: EML 300B-XLS
Hallo alle Freunde der Röhre,
noch rechtzeitig vor Ostern, möchte ich Euch mein heute (fast) fertiggestelltes High-End Mono-Block Projekt vorstellen. Es basiert auf einer Schaltung vom Niederlaendischen Röhrenpapst Triodedick, dem "Ceasar II".
Zu den einzelnen Bauteilen: Die Ausgangs-, sowie Choke- und Netztrafos stammen von AE-Europe und wurden in Zusammenarbeit mit Triodedick entwickelt und optimiert. Um die Top-Qualitaet der OT´s weiter zu steigern, habe ich die Sekundaerseite der OT´s mit Silberdraht fertigen zu lassen. Das Design der CNC gefertigten 4mm Aluplatten stammt aus meiner "Feder" und wurde von der Firma Schaeffer in Berlin gefertigt. Da ich in Sachen Holzverarbeitung nun wirklich keine Ahnung habe, hat mir hier mein guter Freund, John Eekels unter die Arme gegriffen und mit den Gehaeusen wie immer einen perfekten Job abgegeben! Vielen Dank nochmal an dieser Stelle.
Nun zu den Röhren: Als 300B Endröhre kam für mich nur die Emission Labs 300B-XLS in Frage.
Diese Variante ist schon seit laengerem in meinem Kopfhörer-Verstaerker in Aktion und ist sicherlich eine der besten 300B´s auf diesem Planeten. Zu beziehen ist das gute Stück bei JAC Music. Falls Ihr hierzu naehere Fragen habt, Jac van de Walle von JAC Music ist ein absoluter Spezialist in Röhrenfragen.
Die D3a Röhre, exklusiv für die ehem. Post gefertigt, ist eigentlich recht gut zu bekommen (ebay, ect.). Als 6N30P verwende ich eine original russische REFLECTOR "DR" Version. Sie ist ausschließlich für´s russische Militaer gebaut worden. Für die Gleichrichterröhre hat Triodedick eigentlich eine GZ37 bzw. eine GZ34 vorgesehen. Hier habe ich nochmals in die vollen gegriffen und die Mono´s mit einer NOS Mullard High Wycombe CV378 (GZ37 "Fat Glass / Coke Bottle") bestückt. Die restlichen Bauteile reihen sich in meinen High-End Gedanken ein. Kondensatoren: Mundorf Tube Caps (Netzteil), Mundorf Silver/Gold/Oil (Eingangsstufe) Widerstaende: Audio Note Tantalum 2W (Signalweg), Kiwame für den Rest. Röhrensockel: Yamamoto Teflon/Gold (JAC Music). LS-Polklemmen: WBT 0710-Cu nextgen. Cinch Buchse: WBT 0210-Ag nextgen. NF-Kabel: Homegrown Audio IC-4 Solid Silver 4 Strand Interconnect Braid (Cinch-Eingang/Eingangsstufe) Das fehlt noch... Verkabelung: 0,6mm massiv Leiter (versilbertes OFC-Kupfer mit Teflon Mantel) Nun aber genug geschwaetzt.
Darf ich vorstellen..... Der "Ceasar II"



Name: John Ekels
Date: 19.2.2009
Country: Netherlands
Subject: EML 300B Mesh
Hallo Jac,
Via Oliver Mai (uit Monchengladbach) ben ik op jou mooie site terecht gekomen, complimenten! Ik heb van hem de 300B EML Mesh overgekocht, welke hij eind vorig jaar bij jou gekocht heeft. Nu heb ik net de versterker klaar waar ik ze in gebruik, en dacht dat je het misschien leuk vond om daar wat plaatjes van te laten zien. Ik heb een eigen hobby site, waarop de versterker hier te zien is: http://www.johneekels.nl/websitepagina/300Bendstage.html
Ik ben zeer tevreden over de sound van deze buizen, echt ongelooflijk mooi! Ik ga jou site en producten in de gaten houden in de toekomst, ik bouw nogal eens wat…
MvGr,
John Eekels



Name: Oliver Mai
Date: 17.08.2008
Country: Germany
Subject: EML 274B Mesh
Sehr geehter Herr van de Walle,
nunmehr ist mein "ultimatives" Kopfhörerverstaerker-Projekt mit Woo Audio fertig. Nachdem ich mit der EML 274B-Mash in meinem vorherigen Woo Audio WA6 so hervoragende klangliche Erfahrungen gemacht habe, gab es für mich in diesem neuen High-End Projekt keine Frage, welche Röhren ich hier verwenden möchte. Es sind EML 300B & EML 5U4G. Natürlich beide in der "Mash" Version. Die Treiberröhren sind Electro Harmonix 6SN7-EH-GB. Sicherlich kein preisgünstiges Projekt, aber der Aufwand hat sich gelohnt. Die Klangqualitaet treibt einen die Freudentraenen in die Augen.
Selbstverstaendlich werde ich auch für den WA5-LE custom build ein kleines Review schreiben: http://www.head-fi.org/forums/f113/woo-audio-wa5-le-custom-build-379445/
Mit freundlichen Grüßen nach Sulz Mühlheim
Oliver Mai



WOO AUDIO USA. WA5-LE head phone amplifier, custom modified to fit
Power tubes: EML 300B-Mesh / Rectifier tubes: EML 5U4G-Mash
Drivers tubes: 6SN7-EH-GB (Gold pin, balanced Version)
Name: Heinz Bachmann
Date: 18.04.2008
Country: Schweiz
Subject: Lundahl Transformer suggestions


Daten der Monoblöcke:
Leistungsbandbreite bei 200 Watt 10Hz ..150Khz. max Dauerleistung 280 Watt.
Die +235V/max 5A für die 6C33 ist ebenfalls stabilisiert. (1MHz Resonanzregler).
Das 1.3KW Netzteil ist separat und nur 11cm hoch.
Die 12.6V/20A Heizung ist ebenfalls mit einem Resonanzregler bewerkstelligt.
Name: Uwe Trabe
Date: 03.02.2008
Country: Germany
Subject: Emission LABS 300B-XLS
Hallo Jac,
anbei das versproche Foto von meiner 300B von Audion. Mit deiner Bestückung der 300B-XLS von Emission Labs und den beiden Tesla 6922 sieht das gute Stück noch besser aus und spielt in einer ganz anderen Liga als mit der alten Bestückung.
Viele Grüsse aus der Nordheide
Uwe Trabe

Name: Holger Kraft
Date: 25.01.2008
Country: Germany
Subject: Technics SP 10 w/ Yamamoto goodies
Hi Jac,
find attached the promised pictures of my Technics sp10. It is equipped with a SME 3012 R Tonearm. The Motor unit is placed in a self-made plinth of birch multiply. The whole set up has a weight of about 25 Kg.

Now the Yamamoto goodies: The plinth is placed on 4 MGB-1 magnetic stands. They are just placed under the plinth, no extra mounting hardware. Positioning of the feet is done such, that the whole thing is level (controled by an integrated bubble level). Decoupling of these is extremely good. My record player is placed directly on the floor and there is no problem about that. Listening at high volume or jumping up and down in front of the stereo is possible w/o creating problems or cone movement.
The cartridge is the Yamamoto yc-02 mounted on a HS-1a. As the mass of this two is not to high i have exchanged the removable part of the counterweight of my 3012 to the one from the 3010, which is a little bit lighter.
To complete the setup i have placed the Yamamoto record weight rs-1 at the spindle. The sound of the setup is extremely fast, extremly clear and tons of resolution. In addition to that it has a wonderfully musicality and the right "tone". It is very good at modern 180g audiophile pressings (e.g. Jacintha, or Holly Cole, ....). But, it is as well very good on old Deutsche Grammophon classical pressings, which I never thought to have so much music on it. Another highlight for me is listening to Monty Alexander on original MPS records, so much groove, so much energy and so much clarity, just wonderful.
Best Regards,
Holger
p.s.: Keep on going to make the wonderful Yamamoto products available for the european market!!!!
Normally you see only customer posts here, but this one I placed myself here!
Jac
This arrived at Christmas 2007. Not by Email, but by normal post. I did not know what was inside, so I was much surprized when I opened it. It was send by Philippo Cristallo, who bought a Yamamoto A08S amplifier with Emission Labs 45 tubes. Now this is a very special way to say thanks. I am very embarassed... It is too much Phillippo! Thank you very very much!
Name: Haksun Kim [kwy@xxx.jp]
Date: 10.12.2007 01:09
Country: Japan
Subject: All DHT Amplifier: Pure sound and Dynamic sound !
The pictures of this project were send to us by Haksun Kim from Tokyo. The features a modular tube amplifier, without compromise. The power supply is externally, and has tube rectification, and tube regulation, Yamamoto amp meter, and stabilized heater supply. For silver wiring for instance this type is used: Solid-Silver-White (P/N 710-019). The pre-amp uses the very nice DHT AV8B driver tubes from AVVT, that are still available as NOS supply. As far as I know these products can be custom build for you by Haksun Kim.
System:
Volume control: Passive, with Sovter Transformers
Line driver Unit: AV8B
Amplifier Unit: Monoblocks with EML30B / Interstage 1:2 and EML302B
Power Supply Unit: EML274B
More information and pictures here.
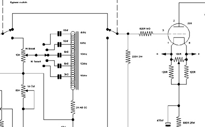
Name: Earle Weston [ehtcom@xxx.au]
Date: Mo 09.07.2007 01:09
Country: Australia
Subject: Emission Labs 20B project
This ultimate project was send to us by Earl Weston from Australia. I features a passive tone control, so it works without feedback. Additional it has an autoformer volume control, and a separate power supply, all DC heated filaments.



Click on image for full size schematic
Thanks Earl Weston, for this beautifull piece of work!
Name: Halgrin Cedric [halgrin@xxx.fr]
Date: Fr 06.07.2007 11:45
Country: France
Subject: Your shipment was send
Superbs tubes and very fast shipping.(only 3 days for shipping to France) Thanks again Jac for this very nice transaction. Excellent seller, would recommand to anyone.
I write these message to the feed back section. I joint a photo of my 300B Push pull "do it yourself" with VA300B98B
Best regards,
Cédric

Name: Holger Kraft (holger.kraft@xxx.com)
Date: Di 03.04.2007 12:10
Country: Germany
Subject: EML 300B
Holger Kraft has send us this beautifull picture of his EML300B amplifier, all equipped with Yamamoto parts like Teflon Sockets, tube miliamp meter, etc. THANKS HOLGER!

Name: Guy Lipp (wxc2@xxx.fr)
Date: Tue, 09.01.2007 1:38
Country: France
Subject: EML 300B-XLS
Guten Tag
Die 300B-XLS sind gut angekommen am Samstag 06/01/2007.
Sie haben ungefaehr 30 Stunden gedreht, und sie laeuten schon wirklich schön.
Es sind die besten 300B die ich bis zu heute hören konnte.
Bravo Emission Labs und JacMusic und Avantgarde fur Lautsprechersysteme.
(Siehe Photos)
Vielen Dank
Grüße
Guy
FRANCE 68000

Name: George Heropoulos (gherop@xxx.gr)
Date: Tue, 18.4.2006 12:16
Country: Greece
Subject: EML 300B-XLS
Hi Jac Yesterday I tried the EML 300B-XLS you sent to me and found, even after only 2-3 hours of buirning in time, that the result was much better, when compared to the Full Music 300B, in every aspect. The noise level was much lower, you have to stand 20 cm from the speaker to realize that the amps are on. The soundstage was deeper and wider, the balance was much better. without the "brightness" (with the bad meaning) of the FM, bass was much tighter and the instruments had a better natural presentation. All these factors result in a much more relaxing and more involving in music feeling. These valves are really excellent. Many thank's George
Name: George Heropoulos (gherop@xxx.gr)
Date: Do, 27.04.2006 11:05
Country: Greece
Subject: EML 300B-XLS
Back to my lab after having nice holidays.
I am sending you photos. Please use them as you want.
Giorgos
Name: luismc60@xxx.com
Date: Thu, 22.12.2005 22:13
Country: Spain
Subject: Amplifier SE with 320B-XLS
Hi Jac.
Yesterday, after 20 hours of burn-in, a serious sound was obtained with my amplifier, entirely designed by me. Today, I was playing to compare this amplifier with a good Push-Pull of my own design too, and differences was amazing. This is massive linearity. Reality. Music. It sounded "big" (giant soundstage). I've attached some pics of Emile amplifier. I am very impressed with 320B-xls.
Thank you very much. I would be very proud to seing some pics of my amp on your web.
I hope you have very happy new year and merry christmas !
best regards,
luis.
Name: Steve.J.King@xxx.com
Date: Thu, 29.09.2005 23:58
Country: United Kingdom
Subject: Fullmusic tubes + Yamamoto meters. 2A3 Project finished!
Hi Jac,
I’ve just finished my amplifier and would like to say many thanks for your courteous and professional service over the past few months. Every order was promptly dispatched and arrived well packaged within just a few days – truly excellent service. I have attached a few pictures to show where your Fullmusic 2A3 meshplates found a home, and look forward to doing business on the next project. Kind regards, Steve
Name: jorn.schneede@xxx.no
Date: Thu, 17 Feb 2005 23:24:48 +0100
Country: Norway
Subject: Hvem sier at størrelsen er ikke viktig?
Hei Jac!
Takk for tilsendet 300B XLS og de andre rørene! Hvilken fryd å se 300 B XLS-rørene innpakket med så mye omsorg i emballasjen. Hvilken enda større glede å kunne pakke dem ut. Deres form og innhold er en sann estetisk nytelse! Glasskolben gir samme følelse som et munnblåst rødvinsglass. Jeg ble overrasket over at rørene var så my større enn tradisjonelle 300B-rør. Mine forventninger ble også overtruffet når det gjelder klangen. Den var virkelig "stor". Denne kombinasjonen av distinkt 3-dimensjonalitet og klarhet samtidig som klangen fortsatt er av full varme og "sprøhet". Musikken "hviler" i ørene og er aldri påtrengende eller trøttende. Og hvilken dybde i klangbildet! Selvsagt er størrelsen viktig, også hos 300B-rør. De er nå en verdig partner til mine 845 rør. Begge har omtrent samme høyde. Jeg har bare oppdaget en eneste ulempe. Disse rørene er så forførerisk at man helst vil tilbringe mye, mye tid med dem. Dette har ført til at min kone ble
sjalu og har truet med å knuse dem! Jeg skjelver ved tanken!!!!
Name: m.dibuo@xxx.it
Date: Sat, 11 Dec 2004 20:13:55 +0100
Country: Italy
Subject: Re: Parcel to Italy
Ciao Jac,
thanks for the notice ... I received the parcel a few days ago, X-fast, really ! All appears to be in good order, I'll let you know better when I'll be able
to test them ... but it will be not so near in time.
Thanks for all,
:o)
Marco
Name: klitgaard@xxx.dk
Date: Tue, 30 Nov 2004 08:32:28 +0100 (CET)
Country: Denmark
Subject: Feedback
Thank you for packing the Auricaps so professionally, they have arrived safely and I look forward to put them into my electronic crossover as signal coupling DC-blocking caps.
Could i ask for a piece of advice? My B&W CM2 loudspeakers that I use for frequencies above 100Hz (below 100Hz handled by subwoofers) have in each speaker 2 caps in the crossover (and 2 good quality coils). The caps are 10uF/100V approx. 4,5cmx2cmx1cm and 4,7uF/100V 3cmx2cmx1cm yellow plastic types. I guess it is some kind of foil types.
I wonder whether they should be replaced by Auricaps of the same capacitance value. However, I believe I have read that a cap of e.g. 4,7uF/100V and a cap of 4,7uF/450V behave differently in the same application. This means that a cap of 4,7uF/450V will have another value than a cap of 4,7uF/100 if replacing the 100V type. Am I wrong? Can I just replace the existing 100V types with Auricaps 450V types and expect them to give the same crossover frequency and a better sound?
Best regards
Torben Klitgaard
hello
just to say that i got the tubes on wednesday, in perfect condition and as you can see from the pictures already working in my 300b integrated amp, driving a pair of Cabasse Egea 2 speakers (94 db/m efficency, 8 ohm nominal impedance)
great service!!!
i think i'll be buying soon again from You
bye for now
Tomas Glavina
Hi Jac
Just to let you know that I got my package. It was pleasant to transact with you. You provided clear communications and visibility of when the package was shipped.
A first class online merchant, I look forward to my next order with you.
Keep up the good service!
Best regards
Vincent Wong
| This is an amazing hobby project - better than any professional design. The first picture was send Nov 9th 2004. In next two years, the amplifier was constructed step by step - EXACTLY - as planned. The work was partially done in Curacaou where Kees was working at that time, and the final touch was done in Holland, when he moved over there. It is constructed from one solid block of aluminium, and uses only the FINEST components available, like silver wound transformers, Yamamoto Teflon Sockets, and of course Emission Labs 300B-XLS. What really amazed me is the detailed planning, and the perfect way this was done. So, the above picture is NOT made from the final amplifier as you may think. This picture was made in the evening hours, with special design software which Kees uses for his day time work. Though running on a very expensive computer, making one picture like this takes the program several hours.
To give you an idea, from the Emission Labs 300B-XLS the logo was scanned into the software. From the glass shape, all radius, estimated glass thickness, and other numbers were entered, the plate dimensions were estimated by looking inside. So that was really a lot of work. Then, with special ray tracing software, the virtual pictures of the 300B-XLS tubes were constructed. With the software, they can be placed anywhere in the drawing, at any position, you can choose any kind of the light to come from any direction, etc. This is called ray tracing software, and profesional software as used here gives near photo reality. Of course, only if all data is entered, and this ad to be done with ALL parts used. In one word: AMAZING! After making the drawing like this, the virtual amplifier can be projected in any color, with light from any angle, etc. After that, it was was made excactly by the drawing coordinates. Bedankt Kees! |
"The statue is in the rock... All I do is take it out". Rodin.
Click on the above images for details
And now for the finished version......
Picture send by Kees Soeters 14-Jan-2006
Hi Jac,
You have an extraordinary customers' service. I was opening my eyes wide when I saw your last shipment confirming email. I have never seen like this. I understand why received you so many praising messages that I can reed on your or EML site. I don’t want to take up you a lot of time with it, but I thank you very much.
Szia Jac,
Neked van egy rendkívüli szolgáltatásod. Szélesre nyílt a szemem, amikor megláttam szállítást igazoló emai-edet. Én még ilyet sohasem láttam. (a szállításra kész dokumentumokkal feldíszített karton erös pántokkal összekötve a mellékelt képen!!) Most már értem miért kapsz olyan sok dicsérö üzenetet, amik olvashatók a te, vagy az EML honlapján
István


This addition was send by István om May 8th., 2007:
Hello Jac,
I only like to inform you, my ALL DHT mono-blocks play the music better day by days since May 2005. Work point of the big triodes are very stable, no hums and haven’t any problems. I made some little tunings. You can see on the picture the shiny cupper shields and lot of ferrite rings. I hope you will win more end more tube friends.
Many thanks for your helping
István

This addition was send by István on Nov. 27th 2012, now 7 years later.
Hello Jac
I just want to send pics about my ALL DHT amp which has been working well since 2005 !!
Best regards from Hungary
István
Hello Jac,
The parcel from you was received. Thank you for polite packing, a quick action and beautiful vacuum tubes. I want to also place an order with the following chance.
Best Regards,
kenji
Hi Jac,
I am looking for two matched pairs of the Viac AVVT 300B -38 tubes. I bought your last VIAC 300Bs a while ago and love them. I need two more sets for my other monoblock.
Thanks for your help and previous service which was exemplary.
Cheers,
Jim Davidson
Ottawa, Canada
hello
Just a little mail to inform you that I've received my tubes on thursday the 15th july. Enverything is perfect, very well packaged, no risk of shocks during transport, I'm fully satisfied ! I'll let some feedback on the site when the preamp'll be built !
Thanks very much
Yours faithfully
M. DECRESSAIN
Hi Jac,
Many thanks.
Dear Jac.
The tubes arrived here in Copenhagen just a few days after your shipment. Thanks for your immediate handling of my order and the pleasant communication! The tubes has now been playing for a week. What a sound from these 2A3´s - present, detailed and harmonic!
Very best regards,
Thomas Grøndahl, Copenhagen.
Beste Jac,
Hallo Jac,
Dein Paket ist gerade angekommen. Dank der bombenfesten Verpackung konnte nichts schief gehen. Ich werde nicht sofort zum Spielen mit den beiden Drosseln kommen, aber neugierig bin ich schon.
Einen schönen Sonntag,
Fred
Hello Jac,
..... for the first time in my history I`m listened to TJ 300B Mesh Anode Globe, I was in shock, they sounded fantastic open with much more detail then I have heard from a 300B tube before.
Kenneth Hansen
Dear Mr van de Valle
TJ tubes arrived yesterday, 13th may. Excellent transaction. Nicely packaged and prompt delivery. Thanks for your excellent customer service.
Best regards
Michele Mosconi
Name: fruitema37@xxx.nl
Date: Wed, 21 Apr 2004 17:47:58 +0000
Country: Holland
Subject: Emmision Labs 320B XLS / Test report
I would like to let you know something about my experiences with the new 320B XLS powertriode. I designed a pair of monoblocks with this tube, because I wanted to create an amplifier with the sound of the well known 300B, but with more power. PSE and PP can be used to gain more power, but I wanted to keep the detailed and specific sound of one 300B. The parameters of this 320B XLS gave me the possibility to make an SE amplifier with much more power than a single 300B I use an OPT typenumber VDV3025PP, which here in Holland is distributed by Amplimo (www.amplimo.nl) I used these transformers before in different applications. They performed very well in combination with a good tube. The transformer parameters are: 14W at 20Hz and from 30Hz to 40000 Hz the RMS power of more than 20W is available. My amp type ALFI HQSE 20 delivers proudly, some undistorted 9.3V RMS in a resistive load of 4Ohms, which is 21.62W RMS precisely. The amplifier accurately follows the parameters of the OPT. It gives a very detailed, musical, spacefull and powerful sound. The advantages of SE sound are fully present in the room. A fantastic tube with a rich, powerful and musical sound. It has got a very nice shape and is very well manufactured. A picture from the Mock-Up of one channel is attached. Friendly Regards, ALFI, The Netherlands |
Hi Jac,
I received the tubes today and installed to my amplifier, and started the listening sessions, wonderful sounding tubes, and thanks for the excellent packaging and ultra-fast shipment, believe or not you are faster than the vendors here in US. Thanks for your service and beautiful sounding tubes. From now on, you are my number one vendor.
Regards
Okan
Name: alexdrastico65@xxx.com
Date: Sat, 17 Apr 2004 07:18:51 +0000
Country: Italy
Subject: Full Music 300B/n gold (mesh)
Hello Jac,
tubes arrived last week and from new, they sound really amazing (more than the normal ones). Thank you for good work and think I could make some more buying from you in the next future.
Best regards
Alessio
Hello Jac
Emission Labs 2A3 mesh plate valves arrived today, just three days after ordering, brilliant quality, brilliant service. I have installed them and am very impressed even straight out of the box. Do EML make 417As?
Regards
John weller
Hi Jac,
The package has arrived. You have the best packing I've ever seen. Everything is ok. I've tested these tubes on my tube tester. They are great too.
Many thanks and best regards,
Ping Yun
Hoi Jac,
Wat ben ik blij dat ik voor de Emmision Labs 300B XLS ben gegaan het is de mooiste eindbuis die ik ooit gehoord heb!!
En Jac nog bedankt voor de nette afhandeling.
Mvg,
Mario de Roos
Hallo Jac,
...endlich war mal etwas Zeit um in aller Ruhe deine EML 300B XLS zu probieren. Es brannte mir ohnehin schon lange unter den Naegeln.. :-)) Doch wie berichtet, mußte ich sicherheitshalber erst die Arbeitspunkte korrigieren. Das ist jetzt geschehen.
Nun laeuft die EML Röhre zwar noch immer nicht mit meinem gewünschten Arbeitspunkt ( 55 W ) sondern etwas darunter mit etwa 50 W und ich muß dir gestehen, daß sie ein absolutes Götterteil ist !! Ich habe noch nie zuvor einen so perfekten Mitteltonbereich gehört. Stimmen sind derart realistisch, daß es eine wahre Freude ist. Auch mit dem restlichen Spectrum bin ich sehr zufrieden. Im Moment fehlt mir ein wenig Punch ( wegen niedrigeren Arbeitspunkten als zuvor mit KR 300BXLS ) doch ich kann mir vorsstellen, daß nach der Einbrennphase und im Betrieb mit 55W das Teil noch gehörig zulegt.
Zumindest ist die EML jetzt schon unschlagbar was Durchhörbarkeit und Details anlangt. Gratulation !! Ohne dir zu schmeicheln, aber es ist die beste 300B die mir je untergekommen ist. Und sie harmonieren einfach perfekt mit der EML 2A3 mesh als Treiber. Nicht unerwaehnt sollte die perfekte Verarbeitung der Röhren bleiben. Einfach toll !!
Nun bekomme ich allmaenlich Lust auf die EML 274er Gleichrichter :-)) mit der Hoffnung, daß die klanklichen Eigenschaften weiter gesteigert werden können..... ??? ( im Moment habe ich TJ 274B laufen, die ganz gut ins klangliche Konzept passen. Optisch jedoch einen starken Stilbruch mit den schönen EML's darstellen :-))
Gruß
Fritz
Hallo Jac,
zunaechst einmal möchte ich mich herzlich bedanken für die schnelle und problemlose Übersendung der Röhren. Ich habe sie jetzt einige Stunden "gehört" und obwohl sie noch nicht eingespielt sind, entfalten sie einen wunderbaren Klang.
Vielen Dank dafür und für die tolle telefonische Beratung. Ich freue mich schon auf die naechste Bestellung.
Freundliche Grüße aus Ludwigsburg,
Thomas
Hallo Jac.
Habe die Röhren gestern von der Post abgeholt und gleich angetestet. Ich muss sagen, da hast du mir ein Sahnepaar herausgesucht. Sie laufen tadellos und klingen jetzt schon phantastisch. Vielen Dank für dein Entgegenkommen. Wenn ich
jemanden weiss der gute Röhren sucht, werde ich dich auf jeden Fall empfehlen. Also noch einmal vielen Dank für alles.
Axel
Hi JAC!
My package had arrived today, carefully packed. Everything OK in perfect condition. Now I am going to experiment the components and tubes, and then I will know you the result.
Thank you very much.
Best regards
Augusto Sá Monteiro
Dear Jac,
Received the valves today. Many thanks, it has been a pleasure doing business with you!
Best regards,
Alex
De versterkers met de 520B doen het goed. Ik heb de AV20 als voorversterker en de PX25 als stuurbuis beide met amorfe ingangstrafos gekoppeld. De 520B staat op 590v neg 89v over weerstand van 1.17K 68watt en trekt 76MA .De uitgang is amorfe 2,4 K sec is zilver.Alle buizen DC gloeisp en voor iedere buis 2 amorfe smoorspoelen.De versterker is dan ook mooi stil.Ik gebruik de DM15 van Tannoy als luidspreker.
Groetjes Huub
Dear Jac,
I've tryed yesterday the Auricaps thet you sent me: simply fantastic, they sound ten times better than my NOS paper in oil (and better than jensen aluminium foil) , more natural, more quick and transparent., just like a wire!
Thanks
.
Hi,
I just wanted to let you know, that I received the Generic brand 300b's yesterday. They are really nice tubes indeed, the sound has much more depth as the JJ I used before. Thanks again for helping me to pick the right tube!
best regards,
Patrick Isekin
.
Hallo Jac,
Die Röhren sind heute angekommen. Du hast sie wirklich gut verpackt, es ist nichts geschehen und sie sind einwandfrei in Ordnung. Leider kann ich sie jetzt nicht sofort probieren, obwohl's schon unter den Naegeln brennt.... :-)) ( muß erst die Arbeitspunkte der 300B XLS korrigieren, werde mich dabei strengstens an eure Empfehlung halten und die 2A3's laufen ohnehin mit herkömmlichen "RCA - Arbeitspunkten". )
Ansonsten kann ich Euch nur gratulieren zu einer top - verarbeiteten Röhre !!!! Ich hoffe, sie haelt klanglich, was sie optisch verspricht...... wir bleiben sicher in Kontakt bzw. Geschaeft !
Schöne Grüße aus dem winterlich verschneiten Ösiland
Fritz
Name: ThSchmitt@xxx.de
Date: Sat, 24 Jan 2004 13:19:58 +0100
Country: Germany
Subject: Valve Art 300B
Hallo Jac,
der DHL-Bote hat grade die 300B`s abgegeben, super das alles so gut geklappt hat. Ich möchte mich herzlich für die tolle, schnelle Lieferung bedanken :-) Jetzt kann ich endlich Musik hören :-)
Viele Grüße und ein schönes Wochenende
Thomas
By: Michael Walsdorf 09-Sept-2004 At the suggestion / inquirey from other AA Inmate's I recently compared the Sovtek 2a3's [at 45 & 2a3 operating points] to my 45s; Emission Labs solid plate and NOS National Union ST 45's. The Sovteks didn't provide the results the person(s) suggested or were looking for but what struck me was the comparision between the two 45s. After spending almost the last two months exclusively with the EML 45's the differences are even greater than I stressed in earlier reports. The first thing I noticed was how much more powerful and extended they were over either tube; NU 45 or Sovtek 2a3. Supercharged is a apt descriptor. You can feel the presence in the room. They project images that interact with you, and with the other tubes [or any OPT I'm familiar] you are watching the proceedings more so than taking part. Yes, the EML tubes are very expensive but my association has resulted in the most dramatic and satisfying benefit I've witnessed with any tube period! Highly recommended to all 45 users. YMMV. MikE |
hallo,
heute war der spannende Moment. Zum ersten Mal mit beiden SE-Amps Musik gehört. Ich habe "gehobene Zimmerlautstaerke" eingestellt und mir klassische Aufnahmen, sowie Musikstücke mit akustischen Instrumenten angehört. Ebenso Aufnahmen mit Gesang und Rock/Poppmisik.
Mir faellt dabei auf das die Amps sehr fein auflösen. Die Wiedergabe eines Konzertflügels klingt sehr beeindruckend. Ich habe eine Aufnahme wo Glenn Gould Bach Variationen spielt und verschiedene Flügel werden auch mit verschiedenen Klangfarben wiedergegeben. Der Klang der gespielten Töne wird sehr differenziert und mit vielen Feinheiten wiedergegeben. Glenn Gould singt und summt im Hintergrund leise mit. Das habe ich auch über meine Transistoramps gehört, aber die Röhren machen das besser.
Eine Aufnahme mit gezupfter Bassgitarre klingt ebenfalls sehr gut. Tiefe Töne kommen druckvoll. Da ich die Aufnahme kenne war ich doch überrascht. Jede Art von Musik klingt sehr gut. Leicht, mühelos und locker. Wunderbar vom Klang und alle Schallereignisse werden sehr fein wiedergegeben. Natürlich habe ich keine Erfahrung was das Hören mit Röhrenverstaerkern betrifft, aber ich bemerke deutliche, im positiven Sinne wahrnehmbare Unterschiede zu meinen alten Amps. Die Stimmen von Musikern lösen sich besser voneinander. Der Saenger von Rammstein (jaaaaa die höre ich ab und zu!) rollt das R sehr stark und genau so klingt es auch.
Ich denke, das ich mit der Entscheidung den Ceasar zu bauen keinen Fehler gemacht habe. Es mag bessere Verstaerker geben, aber ich bin mit dem jetzigen Ergebnis erst einmal zufrieden.
Viele Grüße,
Rainer
"Ceasar" from Triode Dick's website, build with AVVT AD100 Triodes.
hey -- received them yesterday.
they are
BEAUTIFUL!!!!!!
will get some good listening in this weekend. THANKS for making these products available for us.
greg
Dag Jac,
(ingekort) .... ik wilde toch even aan je kwijt, dat ik onder de indruk ben van je professionaliteit en servicebereidheid. Daarbij zie ook nog eens kans, om met je mailtjes mij dingen bij te brengen door alles heel geduldig uit te leggen. Ik ben blij verrast dat er nog zulke mensen zijn als jij.
hartelijke groeten,
Peter Gelder
Hi Jac,
Wollte nur mitteilen, dass die 2A3 Röhren gut in Wien angekommen sind. Habe die Full Music gleich einmal ausprobiert und sie klingen schon ganz nett (frisch aus der Schachtel). Die AVVT probiere ich am Wochenende. Die sehen jedenfalls toll aus. Wenn sie so klingen, wie sie aussehen, dann sind sie jeden Euro wert, den sie gekostet haben!
LG aus Österreich,
Norbert
MERCI... BIEN RECU LES DEUX 300B... FABRICATION MAGNIFIQUE , ENFIN UNE 300B QUI RESSEMBLE A LA WESTERN...
JE VOUS DIRAIS PLUS TARD MES IMPRESSIONS CONCERNANT LA SONORITE...
Best regards.
jean luc B.
Name: walton@indigo.ie
Date: Sun, 2 Nov 2003 00:26:05 +0000
Country: Ireland
Subject: Emission Labs 300B-XLS
Dear Jac,
Just a quick line.....it's late on Sat. night after the first day of the Dublin HiFi Show and well, I just want to let you know that I have been stunned and amazed at the response that the amplifiers have received.......appears so far, to be - *Best sound at the Show* - This I put down to in a very large part to your output tubes, which have astounded everybody.
Talk to you again soon, with photos on the web page too.
Take Care
Derek
WALTON AUDIO
Name: chenning9@xxx.de
Date: Wed, 22 Oct 2003 20:42:04 +0200
Country: Germany
Subject: Emission Labs 300B-XLS
Hi Jac,
die Roehren sind am Montag angekommen. Die kriegen Sie nicht mehr zurueck. Es sei denn, wenn sie in der Garantiezeit kaputt gehen. Danke für die Empfehlung! Die sind grossartig! Man kann damit sogar ganz gut Orchesterwerke hoeren. Es ist alles da, und vor allem natürlich.
Ich kenne viele teuere Anlagen. Aber ich muss jetzt nicht mehr von diesen traeumen.
Du sollst noch mehr Kritik und Test in deine Webseite einnehmen: z.B. eure 300B-XLS 103 Punkte, waehrend WE 300B nur 98.
Wuensche dir alles gute!
Ning Chen
Dear Jac,
I now own Emission Labs 300B's also in addition to the 45's and 2A3's. Nothing can even come close to these tubes, and I have thousands of dollars of NOS right here in my possession and I go for the Emission Labs everytime!
Michael Klementovich
CO-Author Paul Wilbur Klipsch: The Life... The Legend.
The ONLY authorized biography of Paul Wilbur Klipsch
By: Johan Schut 04-Sept-2003 English translation. Click here for the original Dutch text. I am listening for quite a while now to my 300B-XLS amplifiers, but hearing those is still a problem for me... because I can't stop listening, and listening again ;) What a difference they make, compared to standard 300B's. These tubes have a drive that makes me shiver. We did a hearing session at my home, using following components:
I own a test CD by Van Den Hul, and it has a digital recording of a drumkit (by Bernard Beeftink). This recording is completely free of noise, and it seems to appear right into your living room. With several of the transistor amplifiers I tested, this recording was difficult to reproduce, and it sounded as if these amplifiers were simply not fast enough. For the 300B-XLS this was no problem at all, and during all of the session the music was completely under control, also the bass part. I can assure you that after the session all of the listeners were enthousiastic, and it started several tube projects :-) Someone was building a 2A3 amplifier, and had regrets about his tube choice after he heard the 300B-XLS ;-). I just wanted to tell you this. I was "warned" about the sound quality of the 300B-XLS, and I must say it is true!! Thanks again for this top quality. Audio greetings, |
Hello Jac,
The tubes arrived today in perfect condition and are now making sweet music in the DRD45 amps. My initial impression is one of neutrality and realism, something I'm not used to as i've lived with 845s for almost ten years. I'm burning them in slowly using my Impulse speakers, only 92dB, and i'm surprised how loud 1.5 watts is. Will move them onto the Duos in a few weeks. The amps are unbelievably quiet and feel I made, with your advice, the right decision in the solid plates.
Hope everything goes well in the next few weeks and I'd like to thank you once again for your excellent service and advice.
warm regards
Barry
hallo jac,
habe die beiden wunderschönen röhren bekommen, bin gespannt, wie sie funktionieren!
danke nochmals, auch für die cd,
grüße, hermann
Hallo Jac,
die RE074d ist inzwischen gut bei mir eingetroffen, sie war ja auch sehr gut verpackt! Vielen Dank und beste Grüße
Hans-Ulrich Kleindienst
Many thanks for the links, always appreciated, and I want to say a big "THANK YOU" for keeping the Vaic stuff going in the Czech Republic. This is world's best production DHT, and I'm glad to see it continue!
Hallo Jac,
vielen Dank für den schnellen Versand. Klasse !!! Dann kann ich sie vor meinem Urlaub sogar noch einbauen ;o)))
Viele Grüße
Tom
THE BEST POWER OUTPUT TUBE I HAVE EVER HEARD!!
That about covers that.
Dear Jac,
I just wanted to tell you that I now have a pair of Emission Labs 45's and Emission Labs 2A3's, and I use them in the Wright WPA 3.5's and the Wright 1.75's with the Wright WLA-12A Pre amp with a set of un-modified Klipsch Klipschorns and your tubes have elevated my system to the very highest level. How I know this is because I used the very finest and most expensive NOS 45 and 2A3's money could buy and the improvement was not slight but massive. These are easily the finest tubes in the world and with this tube available there is NO NEED to seek out NOS anymore. One more observation... the build quality seems to be out of this world, not to mention the most beautiful tubes I have ever held in my hand. Keep up the good work.
Michael Klementovich
CO-Author Paul Wilbur Klipsch: The Life... The Legend.
The ONLY authorized biography of Paul Wilbur Klipsch
Hi Jac!
Thank you very much. It's been a pleasure dealing with you. I am VERY encouraged by a review I just read on the AVVT 300BLS at www.enjoythemusic.com. Thorsten Loesch calls it one of the best 2 300b's on the planet, you should check it out. I'll see if I can attach it to this e-mail, if not the article is in the Review Magazine under equipment.
Best regards,
Randy
Name: sawyer@xxx.com
Date: Mon, 27 Jan 2003 18:13:53 -0500
Country: USA
Subject: Emission Labs 45-Mesh
hi Jac -
got the tubes - they arrived fine, many thanks. I am listening to the EML 45 mesh now - very nice! Will let you know how they progress as I break them in. even right out of the box they sound fantastic........
take care
-Ed
Name: lorcoll@xxx.it
Date: Fri, 24 Jan 2003 14:21:31 +0100
Country: Italy
Subject: TJ 300B/n-gold
Dear Jac,
I have today received tubes.
Thank you very much for your excellent service.
To the next.
Lorenzo
Hallo Jac!
Die Röhren sind heute angekommen, die Weihnachtsüberraschung ist somit perfekt! Vielen Dank für Deine Mithilfe! Ich wünsche Dir schöne Feiertage und ein gesundes, erfolgreiches neues Jahr!
Bis zum naechsten Mal und liebe Grüße
Monika
Name: StefanerC@xxx.at>
Date: Wed, 4 Dec 2002 07:37:29 +0100
Subject: Röhren angekommen
Hallo Jac,
Ja vielen Dank, die Röhren sind gestern angekommen! Alles einwandfrei, dank der tadellosen Verpackung.......
......... Nochmals vielen Dank!
Liebe Grüße,
Christof
Jac,
I received the package on Saturday in very good condition. All the tubes are tested fine. Thanks. Will do more business with you.
Thanks Jac,
yesterday I spent a few hours listening to the new AV8 tubes and I'm impressed by the sound I get. Bass is so incredibly tight. The sound image is so rich and clear. There is no typical 300B wooly sound. I tried them at about 380V, 27mA. I don't feel any power limitations. They sounds much stronger than 300B's (AVVT and full music).
Pure pleasure...
Best regards
Maciej
Beste Jac,
Vandaag in goede orde de buizen ontvangen en natuurlijk meteen uitgeprobeerd. Wat een prachtig warm geluid en ze zijn nog niet
eens ingespeeld. Ik had uit Amerika 2 All Music buizen gehaald een jaar terug, nikkelplated. Zijn deze dat ook? ......../
groet, Elise
Name: Jon Berlin <xxxxment@yahoo.com>
Date: Sun, 3 Nov 2002 08:42:31 -0800 (PST)
Country: USA
Hello Jac,
I received the tubes and they are great - very beautiful. I am quite pleased with them. After I finish a few projects I will start to work on a circuit for them and will most likely seek your assistance.
I hope that everything is going well with you.
Best regards,
Jon
Dear Jac,
I have received the tubes this morning, thank you! I was impressed by the Emission Labs 300B: NICE ONES! I will do some testing on them and write an article for the Costruire Hi-Fi magazine.
Regards,
Marco
Name: Jaime Vargas
Date: Tue, 11 Jun 2002 14:35:03 -0500
Comments:
Jac,
The PX25s have arrived. Thank you for being so prompt.
Highest regards,
Jaime Vargas
Name: Robert H. VV45-MESH TEST REPORT
Date: May 23, 2002 at 15:33:11
EML 45 MESH / TEST REPORT Added to the guestbook here, with the kind permission of the author II've been listening to - and comparing - the new Emission Labs (formerly VAIC) mesh plate 45 for the last few weeks, and a few inmates have asked me to post my impressions. Here we go. First, these are impressions after about 50 hours of use. They do change a bit, and they may change a bit more with another 50 hours of use. I've been listening to them in a custom built 45 amp from Tektron in Italy, RCA 280 rectifier, RCA grey glass VT231 drivers, great c-core trannies, Vitamin Q/Cerafine/Black Gate caps. So that's the context. Let's get one thing out of the way first. They look spectacular. Those filaments lit through the mesh are very cool. It's tough to be objective about the sound when the looks are so good. It's also looking like a very sturdy built tube, they make NOS varieties look like toys in comparison. But those NOS 45's, particularly the legendary early globes, not only have great collector appeal, they have a special sound that is unique in audio - and hard to displace. Now, I'll get to the conclusion. The new mesh plate 45's are spectacular and out-globe the globes. Whether or not the outdo the VAIC solid plate 45 is matter of taste, I suppose. Comparing the VAIC solid plate to the mesh plates: the solid plate are very much a transparent 45 sound, perhaps a bit more extended on top than the globes - and maybe a bit brighter and crisper on top as well. bass is very solid and taut, tighter but harmonically ever so slightly leaner than the globes. The solid plate places the notes well outside the speakers suspended in time and space, that magically spooky 'reach out and touch the notes' thing that a good 45 will do. There is less of the feeling of roundness, or slight warmth, around the notes with the solid plates than the globes. Overall, the solid plate 45 compares well to the older types, it may even be better - certainly it is more extended, clearer and sparkly on top. The mesh plate Emission Labs is clearly in the same sonic family as their solid plate 45. The best way I can characterize the differences is - there is simply more 45 in the mesh 45. More of the magic. More musicality. Comparatively, the mesh 45 is more relaxed, less sparkly and bright on top that the solid plate version. The highs seem more relaxed, a touch recessed, more integrated into the soundscape. The mids are very nice, very smooth and lucid, without added bloat. Nice and mellow, very present and musical. The bass is still very solid, with a more woody character. The depth of the soundstage is markedly changed from the solid plates, notes are more forward, not the same feeling of peering deep into the acoustic space, you are placed more directly into the music. The reach out and touch magic is still there - just presented closer, more enveloping and less distant. The feeling is more of relaxing into the music, rather than being amazed at how deeply you can see into it. Alltogether, the Emission Labs mesh 45 is a remarkable achievement. The highest compliment I can pay any tube is that it makes me feel good listening to my favorite music. Last night, I was bored with my cD collection, having a hard time finding anything out of my close to 1,000 discs that I felt like listening to. Grabbing Keith Jarrett's "Whisper Not" pretty much at random, I threw it on and sat back - to my surprise I couldn't let it go. Immediately I was relaxed & into the music, and whatever was causing my previous night-long discontent (probably the loss by the Toronto Maple Leafs to the Carolina Hurricanes)was quickly forgotten. That's the power of music, and the mesh 45 delivered. I was thinking of discussing the mesh 45 in comparison to various nOS I have on hand. But the problem is, I've tried, but my patience runs thin. The other day, I swapped my Cunningham CX-345 globes in - but they only lasted a few minutes. Not that they are bad tubes (far from it), it's just beside the meshies, they sounded like also-rans. even my reference globes - the Rogers UX-245 from 1932 with very large plates - didn't move me off the meshes. They are expensive. This type of quality usually is. Whether they are for everybody I couldn't say. They did not invalidate the solid plate VAIC 45 to me, they were different - preferable to me, but I still like the solid plates for their strengths also. For all 45 lovers, I do highly recommend that you support this exceptional product, you do owe it to your music to take a listen! Robert van Harn |
Hallo Jac ,
Dank je wel , de 2A3 pitten zijn van de week netjes afgeleverd !
Je had ze ontzettend netjes ingepakt , dat is nog eens wat je noemt veilig versturen Jac , 100 punten !!!
Paul den Hollander
Just received this note from a customer who ordered the VV45s last week:
Doc,Despite the detractors on this tube who say not as sweet, it is already after 20 hrs miles ahead! I am earing things off lp never heard before....add that I was using NOS cunningham 345's, that was the comparison.
One example: Yehudi Menuhin playing Bach Concerto in D Minor on His Master's Voice (1962), lst movement. Before could hear the harpsicord at the beginning, but suddenly now it was prominent on the soundstange and distinct individual notes were ringing in the air. On lp after lp information like that which not heard before. Not even close. One of the biggest steps up made in a long time besides my Verdier platine and 45 amps.
Another example: on Brubeck re-issue of Take 5..... One of my tests is how good are the drums. How does the skin sound. Just incredible leap forward in realism. It was not just the bass, which was huge in you are there.... but the decay of the notes and the separation and air.... Never heard that lp sound so real before. At least on my system....I am a very happy guy. Listening to all my old favorites as if for the first time.
?VV45 tube?
Word of this tube is already finding its way onto the web. Is this your tube? If so, why have you not mentioned it in "What's New".?
Thanks.
I have heard that you are working on a mesh plate 45. Will this be coming out anytime soon? I am planning on having a 45 amp built, and would love to use mesh tubes.
Tom Berry
Tom, we're working on this tube, but it might take a while to come on the market
-Jac
Betreff: Guestbook
Datum: Fri, 16 Jun 2000 14:19:58 -0500
Von: Brian Bowdle <bbowdle@....edu>
Hi!
This is not so much a guestbook comment as a question. Given your commitment to bringing many classic tubes back to life in high-quality versions, I was wondering if you have any plans to come out with a 45 tube. It seems that this tube is becoming increasingly popular with the single-ended community, who seem to feel that (with the proper loudspeakers) it sounds far superior to both the 300B and 2A3. Indeed, new commercial amps are beginning to appear using this hard-to-find tube (including one by Wavelength), and advance word has it that these amps are giant-killers. So, how about an 45?
Best regards,