The KT88 / KT66 /6550 Directory
Description
The purpose of this KT88 / KT66 /6550 / KT90 / KT120 article is to give an overview about what KT66, KT88. KT90 and types and brands exist, and what you can do with the this tube. Also the most common electrical circuits are given for KT88 and 6550. For a collection of datasheets, follow the link to 4tubes.com at the top menu. For this, click at 4tubes.com on the picture manufacturer's scans.
CONTENTS
Some history of the Kinkless Tetrode, the KT Types
Long before the invention of the triode, working vacuum diodes were already discovered. A person describing this was Edison, in 1875, and it was even called the Edison effect, but I think he did not discover this as the first person. Before that, already scientists like Stoney used true, working oscilloscope tubes, in the year 1874. (Link to article about that).
The first amplification tubes were directly heated triodes, followed by the coming of tetrodes. The Tetrode does away with something inherently connected to triodes: The internal feedback. Now this may not be so well known to everybody what I mean by that, but this is indeed an interesting topic. Understanding this, is the key to understanding why some tubes have different gain than others. A triode has it's grid field and it's anode field, which as we all know are in reverse phase to each other. Now you need to know, electrical fields can be projected over each other, and the result is just a field which adds up from those. The grid field and anode field have reverse phase. What happens now, the very moment, the grid voltage goes up, this causes the anode voltage to go down, and vice versa. Next thing is, the grid is creates of course it's own field, but it is also transparent for the anode field, the larger the distance between the grid wires is. What happens inside the grid, with the grid field? Well it is just there. The anode however can pass the grid, and goes inside. Once inside, it ADDS UP to the grid field. Now, we have the interesting situation in a triode, that the anode field which is amplified, and much stronger as the grid field, adds up to the grid field, but in reverse. And then, this is nothing but negative feedback with quite a lot of gain actually in the feedback loop. (That gain is not the resulting gain of the triode, but it very much higher). It is a classic feedback configuration, where the adding up of the signals is done however in the form of electric fields. So what does this feedback do? Well, like all feedback, it reduces l gain and output impedance, and increases the input impedance, and frequency range. Oh, yes, and something else: Feedback lowers distortion and noise too. So far for triodes.... Why I am I telling this, when talking about KT88? Well, it is to understand what they did, when building a pentode. This feedback, as described above, can be reduced to some amount. For this, just a second grid (G2) is placed between anode and control grid (G1) and now let's see what we can do with our tube which is now a Tetrode. Suppose we connect G2 to the anode. The triode it was before, will stay unchanged, it is just a triode connected Tetrode. But if we connect a DC voltage to G2, the resulting field is the constant (DC) field of G2, and the (changing) Anode field added to it. Also since the G2 field is closer to G1, it's effect (no change...) is stronger than the Anode AC field. Effectively this removes a lot of the internal feedback. So what advantages and disadvantages does the tetrode bring us: More Gain (the only positive thing). For the rest, we get more distortion, more noise, higher output impedance and a less good frequency range. A semi-advantage is also Tetrodes seem to be better resistant against small vacuum effects. Sometimes you can see KT88 working still, with half disappeared getters, of a kind where triodes have already stopped working. A Semi-disadvantage is, Triodes tend to develop a grid short, because grid to heater distance is very small.
So Tetrodes have more gain. But the curves are bad. Which is another word for distortion. Now comes a thing, which was a Philips patent. The 3rd grid. The grid stops secondary emission from the cathode, producing a lot of that unlinearity. These are the very nasty kinks in the curves at higher current. So the tube curves greatly improve with a 3rd grid, and that nasty tetrode distortion is gone. But....Philips did a good job protecting the patent, and there was no way to bypass it. Well.... no way at all? Yes the Americans did find a way. It was was called the beam tetrode These have no 3rd gird, but instead of that beam plates. Which frankly do almost same, though not perfect, and it comes near. For patent reasons, it was called not pentode, but a Beam Tetrode in the USA, and a Kinkless Tetrode in the UK. From this Kinkless Tetrode, the letters KT were taken by the MO Valve company, for the KT66. Which tube was in competition with the 6L6 from the USA. Many amplifiers still can run on 6L6 and KT66 at the same time.
6L6 by RCA, was one of the very first power beam tetrodes and arguably the most successful one in history, spawning countless derivatives (including transmitting versions of the tube: 807 and 1625).
Actually, the beam tetrode was not invented by RCA but by two EMI engineers in England (Cabot Bull and Sidney Rodda) who found in 1932 a clever way around the Philips pentode patent (Gilles Holst and Bernhard D.H. Tellegen, 1926) by adding two beam forming plates to a tetrode, thereby inventing the 'kinkless tetrode'. RCA and EMI having a design-share agreement, RCA picked the design for their ground-breaking series of metal tubes launched in 1936.
The age of audio tube inventions has ended around 1936, and for the non audio tubes, as far as I know only the Klystron and the Traveling Wave tube were invented. I would call the frame grid an excellent idea, but no break trough kind of invention. After this, there was only refinement and miniaturization, which are not inventions. Moreover, miniaturization is always at the cost of good tube curves, because of tolerance issues becoming more dominant.
Historically, there has always been competition between Europe and the USA, breaking things down to such a childish y level, as the refusal to use a metric system in the USA, and at the same time childish refusal in Europe to accept USA industrial standards. So they used another mains frequency, another this and another that. Of course each side invented their own tube sockets, as if there were not enough of those yet. Even today it can be very clearly observed that a popular tube socket will make a tube more accepted, and vice versa.
But is was a fact, the Europeans have patented the pentode. So for 25 years, the Americans had to pay a licence or use a less good solution. Well, and as things are with competition, they preferred not to pay, and use beam tetrodes. That works not as nice a real third grid, but it did the job and the best known family member of this kind is probably the 6L6. Today 6L6 is used mainly in guitar amplifiers, because of it's 'distorted' sound.
After the patents ran out, the USA gave up on the beam tetrodes, and real pentodes were made there as well. I want to put up front this situation with the pentode patent, because it is often forgotten, but still many of the tubes and developments resulted from this situation.
In Europe the EL34 was "the" big pentode which was the result of a long evaluation. It starting with the AL1, the first large output pentode, for radios. After that AL4 was developed. Then with 6.3Volts EL3 came and with the coming of the octal sockets, EL34 was born. In the USA it was the more sloppy 6L6 that won the race. The EL34 is a real pentode, and the 6L6 was the beam tetrode, and also the 'El Cheapo'. In the UK there was the KT66 invented which was a better quality 6L6.
After this in the USA from the 6L6 the larger 6550 was derived and in Europe from the KT66 the larger KT88 was derived. Saying that KT66 and 6L6 are almost the same, that leaves us with four very popular power pentodes. Any other differences are just playing with numbers and pin-connections. The end of the evaluation is the KT88. After that came EL156, which is a real pentode.
However, EL156 was a part of the socket type variation war. Every country was trying to make another OODS socket. (Our Own Damn Socket). Many really great tubes got forgotten because of this, before they had a chance to get remembered. In the list such forgotten belong beauties belong EL3n, but also EL156, EL509, and GU50.
The EL156 never had a breakthrough because of it's OODS socket. Though I do have to say, the EL156 socket is an improvement. It has a guide pin like Octal, but then 10 pins with unique positioning. So unlike with Octal, you can not press in the tube in the wrong position, by using two hands. If you ever did such a foolish thing yourself with an octal tube, you will remember you could not get the tube out any more, and probably broke off the guide pin when you used a screw driver. This can not happen with the EL156 socket. But as said, it's an OODS socket, and all of these never made it.
After EL156 there was a side step called EL509 which was unique because it had a frame grid and Zirconium gettering. However, it uses a magnoval socket, another socket type people didn't want anymore. .
AL1 |
Mother of all Audio Power PENTODES. |
| EL3n | Smaller pre-type of EL34. Beautiful coke bottle glass, and perfect pentode inside. No NOS spotted, but good used tubes are cheap. Collector's item. |
| 6L6 | Low cost, reliable tube. Cheap and good beam tetrode, with some distortion though. breakthrough of the beam tetrode. |
| KT66 | Better construction 6L6, made in UK . This is a beam tetrode. KT stands for 'Kinkless Tetrode'. |
7581A |
Better construction 6L6, made in USA |
5881 |
Better construction 6L6, made in USA |
EL34 |
Real pentode Can do higher voltage. Works very nice in Class A also. |
6550 |
Beam tetrode. Upgrade of 6L6, designed by TUNG-SOL (USA). |
| KT88 | Beam tetrode. Upgrade of KT66, designed by M-OV (GEC, UK). KT stands for 'Kinkless Tetrode.' |
| KT90 | Original idea by EI - Yugoslavia. This is modified EL519 which works like a KT88. This never became very popular, though perhaps it deserved better. Off-Topic: They also did some experiments later, to replace 300B by a modified EL519. It really works! I have one of their R&D experiments here in my collection The heater is connected to the cathode, same as with GZ34. |
KT94, KT100 |
So called higher power KT88. Part numbers were heavily abused by the Chinese. Can be anything from a KT88 to a 6550, with a larger glass bulb. |
| KT120 | This tube is no KT88. It draws more heater current, and it has another operating point. The operating point being 'not KT88' shows to me this was knocked together, by using existing tools. With dedicated tools, a real high power KT88 could be made, compatible to old versions. |
| KT150 | This tube is no KT88. Even bigger than KT120 |
| EL509 | PL509 is a switching tube for TV deflection, generally referred to as Sweep tube. Can do very high plate current peaks, can withstand extreme heat, also due to magnoval socket. EL509 is the 6.3V Version of it. Looks like a larger EL34, but linearity is compromised as with all switching tubes. |
EL156 |
Original audio tube. Something like very large EL34, but 10 pin socket |
EL152 |
German army tube. Larger than EL34, but with army socket. (OODS) |
| GU-50 | Russian army tube. Same as EL152, but yet another OODS socket. Well but the sockets are cheap and eady to find. Best and finest tube of this list. Strong a s tank. SECRET TIP! Pictures here |
Part 2) KT66

The 7581/A tube is an industrial version of the 6L6GC.
This can be called the American equivalent to the British KT-66, but audiophiles have distrust against anything industrial and military, just because they believe industrial products sound not musical, and because military sound aggressive. Yet this tube is much sought after still for guitar amplifiers, which abuse the tubes as a matter of principle. Ratings of 7581 are roughly the same as the 6L6GC while the 7581A has higher ratings at some points. The 7581 has a plate voltage rating of 500 V--35 watts (5 watts more than the 6L6GC) and a screen rating of 450V--5 watts.

This the KT66, made by MO Valve, England. This pair is from 1970, and was used into the legendary QUAD amplifiers.
KT66 (KT stands for Kinless Tetrode) however was marketed from the beginning as an audio tube, with a whole series of excellent schematics included in the original data sheet. This was a clever piece of marketing.
This is the same tube, but here in a black glass version. Black glass is electrically better, because it guides electrostatic charge away from the inside of the glass. When you really like the physics of tubes, this is the preferred version. When you like to see something glowing inside, this is not the preferred version.
A close up from black glass KT66
The 5881 is another industrial grade 6L6. It has Zirconium coated plates, making the plates act as a getter. The screen grid was carbon coated, giving it some overload of capacity (The total is 3 Watt!) . The control grid is gold plated, giving it lower leakage. Cathode is stand-by proof. Low leakage socket. How do we know all of this? From the above paper :)
Part 3) KT88
Designed by the General Electric Co. Ltd., Magnet House, Kingsway, London WC2
|
||||||||||||||||||
specification and max ratings(*) (*) These KT88 specifications are provided 'as-is', with no warranty of any kind. Use of these parameters shall be entirely at the user's own risk. |
||||||||||||||||||||||
GETTEROLOGY

Don't we all want to read from the getter how good the tubes are ;) Well sometimes you can. And no, it is not as easy as you would like, because a bad getter indicates a defective tube. A tube with lots of use on it, but still working, naturally shows no 'defective' getter. That is why getterology is of little use for most people. This becomes particularly clear, when tubes with obviously defective getters are praised on Ebay as excellent working, and both seller and buyer do not notice the bad getter, indicating the end is near. Strangely, there is no interest for this, though it is clear to see by the getter often, the tubes are rubbish.
More difficult is also the reverse situation: The getter looks fine (also to me) and when you test such tubes, they are rubbish. Here, the biggest mistake of all is made: Many think, a fine looking getter is the same as a fine working tube. This is simply not so.
So in short: A good getter means not the tubes are good. A bad getter means the tubes are bad, also when the optical situation look so nice for the rest of it.
Getterology1. It's amazing how bad a KT88 getter can be and still the tube works. On the left picture you see a tube that was for sale an auction website. It is clearly visible that this getter has gray edges. Also some part of the getter is gone. This tube probably tests fine, but what the buyer doesn't know is, most of the lifetime is gone.
Getterology2. On this picture you see two working, used tubes that were offered on Ebay, for very high prices. The left tube getter looks fine. The right tube has some of the getter edges gone as well, and the GEC stamp is badly burned. These are the brown type of getters, at the end of lifetime these start to develop concentric rings, of some blue-gray color and after more use, the edges begin to disappear. As a next step, the tube gets gassy, without the getter being white. At this moment of Ebay sales, they probably test still good.
Getterology3. I was send this picture by someone who found those on Ebay, and who was afraid they were fakes. Well, yes they are fakes. Inside is the Chinese KT88 system clearly visible.
What is even worse about these, they were offered as NOS, and they are in the box with a bad vacuum getter. You can see the gray ring around the getter. With all getters, the edges are thinner than the middle part. So once you see the edges are no metallic looking anymore, this means some part of the getter has been used up. This kind of getter wear out comes from use. This is not air leaking to the inside, but this is plate out gassing which causes this coloring. The print However, is clean, not burned. So this is a real bad case, old worn out Chinese tubes were cleaned, re branded and re boxed as Genalex.
Conclusions with those Gold Lion tubes:
- A great part of the lifetime is gone.
- Marking is faked. Inside is no Genalex KT88.
Matching of KT88
Bernardo Santos, from Brazil send those picture about selection of GEC. Thanks Bernardo!
This is how the GEC KT88 was selected. The text is: The Genalex Power Output tubes in these cartons have been matched to each other on the finest test equipment available. When tested these tubes were found to be within 1% of each other. The company is B.I.C. or BRITISH INDUSTRIES CORP. Port Washington, New York, USA.
This is how the B.I.C tubes look like. The sticker is a bit different from most others, but it is genuine, and inside is a genuine GEC tube. Note: Be careful, this sticker is being perfectly faked by the Chinese at the moment. So by itself this sticker means nothing anymore. These days are over. You can only trust the tube inside piece parts.

Above you see the test limits for the KT88. Not by just any company who was selling those, but by the one-and-only-real M-O Valve Co in London. This is historical rare information.
Note however, these certificates do NOT represent actual test data of the tubes in any way whatsoever. Though they do a great job in giving you that impression.
What is hand-written in there, is nothing but general information, and NOT related to the individual tubes inside the boxes. If you have 100 of those certificates, they are all the same. So on the one hand it is good they provided that information, at least they say the tubes comply with something. So you know how to check them, and you can say if they are good or not. I find this is a y way to the owner, by giving the impression this hand written data was collected. Well, this is NOT SO. If you are skilled with datasheets, and read these certificates carefully, you will see this is just hand written information which is copied from the standard datasheet. It is fine when the tubes comply with that, but if not they would have been rejects anyway. So this test certificate is plain bullshit. Made for amateurs that think many numbers are many good. On the other hand, don't take it too negative, the MO tubes are great quality anyway. It is just the so called test data is for the birds.
About GOLDEN LION Brand.
You need to know a few things here.
- The MO Valve company is not existing anymore. NEW SENSOR in New York today owns the brand rights of the 'GOLD LION' brand. That is all they own. They do not use the original tools, neither are their new tools copies of the original tools. The GOLDEN LION tubes, sold by NEW SENSOR, are made in the Reflektor factory in Saratov Russia, and inside I see the plain old Electro Harmonix construction, as they used always, which resembles their 6L6 optically. Which for me is not a real KT88. Sorry. You can think of this what you want, and you should. The Golden Lion tubes made by new Sensor have nothing to do with the originals, made by the MO Valve company. Also, the quality of New Sensor doesn't even close. The boxes and printing, and optics are perfect quality. Better than the tubes itself. I have sold the New Sensor for some years, and I was extremely disappointed by the tubes, as well as refusal to serve guarantee. Dealers get there only 90 days after receival. So when they store the tubes for 90 days, they can sell to the end customer for whatever the conditions are, but the dealer itself gets no guarantee when there is something wrong. I don't have to tell you, what the end customer's chances are, when the dealer had the tubes in stock for mor e than 90 days, and tubes get defective. The ones I had, showed all the typical errors, KT88 can have. That is: Heater-to-grid shorts, after postal transport. Is the post to blame or the factory? I don't know. All I know is, they damage too quickly. Another problem, the most occurring I had, was vacuum problems. The getters get bad edges at first, and emission seems lower. Though many times the tubes still work, I do not trust such tubes. Another problem I saw often, was screen grid current is too high, this over-heats the screen grid, the carbon layer evaporates , this damages the whole tube. They short in the end, blowing out the amplifier fuses. So I do not recommend the expensive GOLDEN LION tubes, sold by NEW SENSOR. For the half the price you have Electro Harmonix by NEW SENSOR, and to me they seem identical. Quality is the same (medium) level. Problem with NEW SENSOR tubes, was for me, they develop gas on stock. They were fine when I received them, but sometimes tubes can be on stock for a few years, and I had several that developed gas.
- New made GOLDEN LION Test Specifications. What specifications? Today, many manufacturers blow a cloud of smoke around the question, how tubes should be checked for quality. For a serious tube dealer, trying to do a good job, this becomes a problem, as he has no way to do incoming inspection. For instance NEW SENSOR the #1 maker of KT88 has always refused to give me the data for incoming inspection. They just say the tube ARE already tested, so they are good, and that's what they are. Period. So problems can get passed on to the buyers before you know it. My opinion is, a tube always needs to have so called acceptance limits SPECIFIED by the manufacturer. Interesting, on those historical certificates, the acceptance limits are there indeed. For instance Plate Current is between 121 and 174 mA. With that information, your tube dealer can test what is a good tube, and what is a reject. I tried to get incoming inspection data from NEW SENSOR. After many rounds of discussions, I got the following answer from J.C. Morrison by phone, who was at that time the chief technical engineer of New Sensor New York. 'We only present you the data as on the boxes. We tell you the tubes are 100% tested. We will not supply acceptance level data. The tubes are good. We sell most tubes into the guitar amplifier market. The HiFi market is only a few percent of our sales anyway. We can easily do without those nasty HiFi customers if we have to. I am sorry but this is how things are. So take it or leave it'. Later, I met J.C. Morrisson on some occasions, and I really have to say he is such a wonderful and inspiring person. He doesn't work for New Sensor any more, and I think he was only speaking with the voice of his boss at that time. Well.... anyway, after this conversation, I decided to take his advise: Take it or leave it. Well, I don't take it, when they refuse to replace broken tubes to me, that lost vacuum just from resting in my stock room, unused. I removed this brand from my sales program. My personal opinion about GOLD LION NEW SENSOR: Too expensive. Not any better than Electro Harmonix which costs only half. Risk on vacuum problems is too high for what they cost.
- GOLDEN LION NOS FAKES. Oh sure these exist! Inside are plain Chinese tubes. The blue Genalex stickers, always used to be some proof of originality. Well unfortunately, these stickers are now faked by the Chinese as well.
- More about testing. So you see, if the new copies Gold Lion copies are as good as the original, as the Americans claim, I see a sharp difference here. Since with the originals from the real M-O Valve Co in London, the test limits were simply ADDED with each tube shipped, and you don't need to ask. But when I asked New Sensor, I got no information whatsoever. Another difference is, when you ask they don't even tell you how to check the tubes. They are already checked, and 'good', and that's it . That's what they said to me.
So, with the above im mind, now you can understand why a Quad of real good NOS Gold Lion from England is worth a four digit sum on Euro.
What is a good new made KT88 to use for Guitar?
Probably EHX. They are low cost and these amplifiers abuse the tubes anyway. So play them as long as they last, and then replace them. Besides EHX doesn't take it so exactly with specifications and tube curves, and many people like the extra distortion resulting from this.What is a good new made KT88 to use for HiFi?
What follows is only my personal opinion, from selling tubes since the last 25 years. I would prefer them in this order. Please excuse me for being a bit direct, but I do not want to contribute to any fairy tales and other kind of obscure stories. So what is good is good, and what is bad is bad, I just say it here.
Number1:
GENALEX. Made in England.
NOS with good test data, which is all you need. As you can blindly trust most other data, such as leakage etc. The holy grail of course, not available, and no realistic solution for that reason.
Be careful with used tubes of this kind, because prices are still very high, but a great brand will not protect you from being sold tubes at the end of life. I would say, this is something to buy only from reliable professionals. And typically not buy it on Ebay without return option.
Number2:
Svetlana C-Logo KT88. Hard to get, but possible. Looking for NOS.... your hunt may be successful.
Keep apart the Winged-C Svetlana which are the ones made by Svetlana, and the S-LOGO not made by Svetlana at all, by made by REFLEKTOR and sold by NEW SENSOR. In fact Svetlana Petersburg sued New Sensor for this, and the result was some kind of arrangement. Just the C-logo, new Sensor did not get under their control. Also the words 'St. Petersburg' may only be used if made there indeed. So the C-Logo is the proof for genuine tubes from St. Petersburg. So my number #2 choice here is the original WINGED-C Svetlana.
Number3:
The most realistic good choice: Chinese KT88.
These seem to have the best price / performance ratio, but the Chinese mix a few bad tubes under the good, always. They get away with that, and they know it. So what leaves the factory, is a strange mix of mainly good tubes, and a few bad ones amongst them. Unclear matching, and not enough burn in. This makes them very suited for professional sellers that have really good equipment. (Meaning not just a Hickok tester). In industry this is called 'uptesting'. So a good dealer separates the bad from the good, and offer the good ones to his loyal customers, with fine matching data. From a lot of 100, you can get a good selection of such quads. For the less good ones there is a nice market on Ebay, where good product feedback is for low price and fast shipment anyway. What you see pictured here, is the VALVE ART KT88, which is a Shuguang Factory Tube. Shuguang is the largest tube factory in China, and they brand the tubes for everybody who wants it, with any brand whatsoever. So the black beauty, golden treasure, green dragon, Valve Art, and very many more fantasy names, they all come from the same factory outlet, called SHUGUANG. Since many Chinese tubes are now better than there reputation, they are here under preferred brands.
Number4:
Electro Harmonix - Sovtek - Svetlana S-logo. All the same tubes, just another jacket. You can take the lowest priced, Electro Harmonix. That is because the more expensive brands, are not better specified, no longer life, and no longer guarantee. Electro Harmonix is a reasonable tube for a reasonable price.
From below here, personally I would not buy those.
Number5:
New Sensor owns the GOLDEN LION brand now, and like all tubes from them, they come from the same factory, called REFLEKTOR. All recent production Reflektor tubes show random vacuum problems, more than any other tube brand I know. NOS Reflektor is generally good quality, but not as perfect as Svetlana. However new production Reflektor, I find disappointing. Vacuum can get lost, just by stocking unused tubes, grid to cathode shorts develop after shipment, and parameters are quite variable in general. I even had tubes which were mounted in the socket with one pin rotated. Which indicates they are tested before socketing but not after.
GOLDEN LION seem identical construction as ELECTRO HARMONIX, and from selling them, I quickly learned, they show the same random problems as any other brand from REFLEKTOR.
Since the extreme price difference is not justified by the brand name only, they seem too expensive to me. So they are ranked quite low at this list, because of bad price-performance ratio.
The rest - I do not number it from here.
JJ tubes. I do not want to be the big complainer, but I am no fan from JJ tubes, because O once bought some variation of JJ tubes. They began to drift already on the tube tester. I don't know what caused that, and I sold the lot quickly on Ebay. Even mentioning the problem, but it seemed not to be a problem for selling them.
Fullmusic. I had many tubes from Fullmusic, which was actually quite a while ago. They seemed not adequately burned in. Test data on the boxes was not accurate at all, and I had quite gas problems.
Tesla KT88. I can not speak here for older production, NOS tubes. I had many new production KT88 when the factory in Vrusovic still existed, but defect rate was terrible. What worried me even more, they used the old tubes to recycle the pins. (so the 'pearls' which are piece parts they buy from vendors - that looks like a glass pearl with the tube pin coming out).
EAT KT88. I have to say I know little about them. What I do know, the production tools from Tesla (above) are now in use by KR, who builds the EAT tubes. The price of those is unusual high. So given their performance is good, they still have a poor price / quality ratio to my opinion.
Not really off topic: The TT21 and GU50 tube
Marconi / MOV TT21 and TT22 are power beam tetrodes patterned after the KT-88 tube but with a top cap for the plate connection since these tubes were primarily intended for RF transmission (note the similarities with the 807 and the 1625 originating from the 6L6.
TT21 and TT22 share identical characteristics, with the exception of heater ratings (respectively 6.3V/1.6A and 12.6V/0.8A). Consequently, you are misreading the maximum plate dissipations which are identical for both tubes.
This is a picture of the TT21. These are like a KT88, with a top cap, allowing higher plate voltage. Look at the typical shape of the plate, with the six markings, three on each side. This is one way to recognize the original KT88. (TT21 and KT88 have the same plate. TT21 has it's own datasheet, it differs mainly because of maximum 800V plate voltage. They used to be cheap on Ebay, but boy... these days have gone.
TT21 / TT22 have 37,5Watt plate dissipation, same as KT88, but they mention 45 Watt in the data sheet too, saying it's possible at shorter lifetime.
37.5W CCS (Continuous Commercial Service)
45W ICAS (Intermittent Commercial and Amateur Service)
You like 'another' tube than KT88, well it's a bit off topic, but try GU50. They're low cost and much better than KT88. GU50 is amazing quality Russian military old stock. (and yes we have those in the price list, under NOS;)

TT21, TT22 can be found here
You like 'another' tube than KT88.... try GU50 (similar to EL152). They're lower cost and compared to GU50, KT88 is only a consumer tube. GU50 is extremely strong and very low distortion. Amazing quality Russian military old stock. (and yes we have those in the price list, under NOS;). Peak plate dissipation is 55Watt. Note: These cannot directly replace KT88, because the bias setting is another, and also the sockets are another type. We cannot help you with modifications, also not help you how to understand to do it, when you have no idea. We can only give you the datasheet, and it is no black magic when you're a specialist. To me it looks the bulb is hard glass. Much different from the fragile KT88 glass. The metal piece can be removed from the top. When using a hot air gun, the glue will get soft and brittle away.
GU50 datasheet can be found here
THE NEVER ENDING KT88 RE-BRANDING LIST
back to contents(THIS IS WHAT YOU CAN GET, BUT MAY NOT NEED IT)
Don't let anyone mislead you. If there is one tube that a whole crowd of fakers have jumped on, a long time ago, it is the KT88. Every self-respecting faker has "finest" KT88 for sale, and his own brand. Of course, some respectable companies also make finest KT88, but how to keep the those apart? Apart from the Tesla re-brands and re-makes, these are probably all China tubes and.... ALL come from the same factory in China.
When I first ordered tubes from CEIEC China in 1997, there was the sales engineer, who some of yo perhaps still remember, his name was Mr. Li. He told me: Sir, what brand do you want on them?... I said: Well, your factory brand of course! They said: yes sir, we have that too. I was so shocked by this. This shows how easy it is to get "your own" great brand of Chinese tubes. However, when you know the Chinese better you will learn that the way to get quality from them is hard, very very hard, and impossible for most. For them, something that "works" good is a fine product. They sure can make quality but they prefer to sense very delicately what your minimum acceptance level is, and simply send you that. So you won't complain, and they can send you the lower quality, that they know some other company will reject. (or has rejected, and send back). A lot depends on how having a long history with your purchasing channel, and how they have learned about you, and what you find out and not find out.
This problem comes from one particular and actually quite normal Chinese trade method. That is, you are supposed to pay the price they ask, when it is a reasonable price for you personally, like they know it, and like you know it. If you THEN bargain on the price, they regard you no future business partner anymore. You lost your face. Speak in our words, they regards you dishonest. Next thing is, they send you lower quality, that they feel better suits your dishonest price. This they do with an oriental smile on their face, and you get screwed of course. For them this is not screwing, it is giving you what you deserve. The other way around doesn't work, like giving them a real good price and expect real good stuff. They think you must be pretty stupid. So you see, how hard this is, and why so many bad Chinese tube stuff is around. There just is no good way to talk straight with them.
The never ending list of re branded tubes
No information about the SOUND of each KT88 tube here. Only technical experiences.
Audio Classic. Sorry folks just REBRANDED Chinese tube
Golden Dragon, England. Sorry folks just REBRANDED Chinese tube
Kr Audio of very old production are re branded Tesla tubes. Some years ago, they got control over old Tesla tools, and now build their own KT88. So this here about re branding, is about very early KR KT88.
Sorry folks just a REBRANDED Chinese tube. Offered to a tube dealer in the USA, in March 2007.
![]()
This is a small picture here, but look at this better.
Wow! My respect for the nice faking of the special material GEC sticker, which was (UNTIL NOW) seen as proof for genuine MO Valves. Well forget about this sticker as from now on. So this is NEW. Get ready for the finest GEC faked from China!!!!!!!
With KT66 (not pictured here) this makes it very difficult to distinct Chinese KT66 from GEC. Reason is they are made with the same tools. At EBAY these KT66 are seen already. You are looking for troubles? Then buy from Hong Kong sellers original GEC KT66 or KT88. Good luck with it!
This KT88 tube I received from my dear friend Frank Geeraerts from Belgium, as a gift, because he knows I collect "fake". pictures. Another very raw fake. As you know, in China product faking is a national hobby. Copying is not a crime there, but a sport. The only problem for the Chinese with respect to copying is possible export problems. For the rest there can be nothing bad with a business that is a good business.
Only the inside of the tube is not so nice faked, inside is a plain stupid Chinese fire cracker.
Do you see the white speckles in the back of the tube? That is chipped off cathode coating. When little particles of this come in between the grids, it sparkles inside the tube and it gives the famous fire cracker sound from your speakers. Also the rings around the getter flash show that there is some gas in the tube. On the back is stamped: KT88 / 6550. That way of part numbering must be the latest invention.
RUBY TUBES. I don't see many of them any more, but it was just a re branding name.
IET. Sorry folks just a REBRANDED Chinese tube - gets a bit boring
PHILIPS Miniwatt. Probably Tung-Sol
TAD. Just a brand name, they buy where they like.

On EBAY, I find some wild stories about 'so called' tubes for the Czech army, made by TESLA. If you believe it, you come in tube heaven.
Some research on the TESLOVAK brand lead me to a USA company PENTALABS, though on their own website I saw nothing about TESLOVAK. So I cannot verify this.
For me the only question is, what factory made those. Specially with four of the five letters of the 'TESLA' brand seem borrowed, as well as the logo letter type. Inside, I see DEFINITELY NOT systems from TESLA.
PSVANE is no tube factory, just a brand name. Probably these are made by SHUGUANG. PSVANE KT88 TII has a gray shielding. The shield looks nice, but I have no idea what the practical purpose of this is. I wonder if they put a side getter on the inside of this shield? Probably not. But... where has the side getter gone then?
I hope they did not leave it away? Since with KT88 a side getter is a must have. This place of the tube gets very hot, and that's what a getter needs.
PSVANE KT88 Black treasure. Shugang tube with another jacket.
Shuguang KT88-T.
With black coating, purpose of the coating unknown. RSD.
KT88 fullmusic with carbon plates.
Definitely the use of carbon is not recommended by me. This will lead to low lifetime if combined with Barium cathodes, and is only advised for thoriated tungsten tubes, ever since the history of tubes. And no... this engineering law has not changed recently. Well, not that I heard of. Against all knowledge, it has been tried with 300B some years ago, and it these were the lowest lifetime 300B ever, called 4300B. Also the Carbon tubes from Alesa Vaic were a disaster. But.. who cares. We all want to learn from our own mistakes. It has not been tried with KT88, so here is the next experiment, but I have seen enough of it. Do you believe in this? Well good luck.
TRONAL. Just marketing Name / brand name.
WESTERN ELECTRIC. Now, Western Electric stopped making tube a long time ago. There is however Charles Whitener who build fully legal replicas in a small factory of himself. I heard some story, they want to build they announced quads of Golden Lion for 1700$. I found it here
**** THE NEVER ENDING KT88 NEW VERSION LIST ****
back to contents
This is large business is China. The search for 'Better' KT88 tubes is the most craziest I have ever seen. These do not exist, but the holy grail most be somewhere. So people look on Ebay for something 'nice' and optics come first. The latest cry is to use Blue Diamonds or Crossed Sward, or whatever new names the Chinese have invented. And hey.... business is business... the stuff sells. For them it is a kind of fun making, and the greatest fun is, we buy it kind of massively. So here are just some pictures. If you want to know how these sound, you missed the point. There is no other sound from another glass color. A small warning I would like to give for carbon plates. Here the marketing bullsh.. went too far. Such tubes can never be reliable. (read the rest below) |
**** THE KT88 OLD PRODUCTION LIST ****
back to contents
BELOW HERE, THIS IS WHAT YOU NEED, BUT IT'S EXPENSIVE
-
KT88 Genalex Gold Lion (one top getter)
-
KT88 Genalex Gold Lion (one top getter, 2 side getters)
-
KT88 GEC (one top getter, 2 side getters)
National Electronics REBRANDED anything. Many Russian and Chinese tubes, as well as USA tubes. It was (and still is) the tube brand of Richardson Electronics. As far as I have seen, they write correctly write the country of origin on their boxes. I was told by email that the tube pictured here was made in the USA, on CETRON equipment, and it was available only for a short time, and it was very expensive. You can click on the next line picture, it gives a high resolution picture, and you can nicely see the details of the inside piece parts. I think those are genuine.
Message was send by Steve Heitert in Nov. 2009. Thank you Steve!
Jac, you requested any further information on the National KT88 that was made in
the USA.
Attached is a photo of a matched pair I purchased from Richardson, Geneva, IL around 1990. I think the matched pair cost around $250 vs the typical $75.00 for Chinese tubes back then. A couple of years later, I purchased a second pair from Richardson for around $200 and they were physically the same tube but came with the 'Jadis' logo on the glass! I put this pair in one of my Quicksilver KT88 amps and on first turn on one of the tubes had a 'melt down'. Richardson replaced this pair with a pair like the ones in the photo and they performed very well. I am not sure whether there was any definable sound improvement with the National tubes (over the Chinese tubes), but I can honestly say the Nationals lasted at least twice as long as the Chinese tubes.
Why TESLA KT88 is NOT JJ KT88!
In the socialistic Czech Republic, it was believed the government was the most suited to lead a tube factory. After 40 years this appeared to be a mistake, and the factory was privatized, and during this process split in several companies. Strangely, also the act of privatization, was carried out under socialistic view. To say it more clear, it was not sold to the highest bidder, but sold for 'good' reasons to 'good' people. Here are some details as I can reconstruct. Some parts manufactured those yellow color street lamps, and mercury light bulbs, etc. I don't know what happened to this part.
The Czech Republic State TESLA electron tubes factory was split in several companies, during privatization. Here is as far as I can reconstruct what happened. Some parts manufactured those yellow color street lamps, and mercury light bulbs, etc. I don't know what happened to this part.
The part that made the Audio tubes, like EL34, ECC83 etc, was sold to Jan Jorgo, who owns now the JJ company.
The part that made the transmitter tubes, and some magnetron tubes was sold to Mr. Malinivic, a very friendly cigar smoking gentleman. His office looked like a cafe because of the smoke. He called the factory TESLA VRUSOVIC. He bought this plant including the buildings. They made some pretty interesting transmitter tubes, some had laser cut grids from a solid block of graphite. I was there and I saw it myself, it was an amazing small machine, but worked beautiful. So they just blast away all graphite, until a solid part is left that is actually is as fine as a tube grid, with very fine 'wires' of graphite. These are miracles of manufacturing. Just touch this grid, and it breaks. Once in the tube they are indestructible.
There was at that time great dissatisfaction about the profit on the transmitter tubes, and some klystrons and magnetrons they made. These tubes have to be evacuated in ovens for four or more days, using lots of energy, and using up the lifetime of the manufacturing equipment. Comes to that a declining market for transmitter tubes, that could not be compensated with higher prices. TESLA VRUSOVIC thought they would like to build a KT88 also, because profits were better than with transmitter tubes. However, all tools were in the hands of JJ, so he had to remake them all, which he actually did.
HOWEVER.... it is not only tools that make a tube. They found that out the hard way. They lost most of the knowledge, lost unreplaceable machines, and happily fired what they thought were useless old workers. Modern times were coming. Good-bye Lenin. They later learned these old men, were senior tube experts that can't be found and they couldn't make (good) KT88 without them. When they realized what they had done, they couldn't get them back. I have visited that production line myself in 2003, but that was after the loss of expertise, and it was in a dying condition. They were building the KT88 line up from scratch, even recycling glass parts from broken tubes. What I saw was a big mess.
Getting back 25 years of experience, but from whom, and how? Questions.... questions... Many bad tubes were the result of these attempts. I was looking and the production line, it looked a bit sad.
There was from 2001--2003 some retro production of the TESLA KT88, with the blue logo. I had three charges of them, and the overall failure rate was 10% within the first six months use. From this the statistic calculations say you have 35% chances on ONE bad tube in a QUAD. As you can understand, this made this business not very pleasant to do.
APRIL 2006. TESLA FACTORY PERMANENTLY CLOSED. This moves TESLA KT88 permanently to the Hall of NOS Tubes - END OF PRODUCTION. Perhaps somebody will take their old tools and re start from scratch again. Well, good luck with it.
Perhaps somebody will take their old tools and re start from scratch again. Well, good luck with it.

Final Production
Tesla KT88-S, after privatization.
Lovely appearance, but the quality was a disaster.

Original TESLA KT88 datasheet
Vintage TESLA KT88. Not so nice looking, but made under total different circumstances.
Try to get the old style, white printed TESLA KT88. These were made in the days when the whole TESLA conglomerate was one company. THESE ARE THE ONES YOU NEED, BUT WILL NOT FIND.
When I read the bla bla on audio asylum, the experts seem confused. Imagine, Tesla was trying to sell those, and the smart guys on Audio Asylum were asking the usual questions, like who has heard them, and very important "Did anybody have problems with them". So after a while they were all talking about the problems, and nobody said anything good. (and am am SURE, nobody ever heard those playing). Particularly that is so characteristic of this forum.
And then the usual surprise: 'OUT OF PRODUCTION'. Now look what happens... Help! where can I buy 10 quads...who knows a dealer who has some? All I can say is: Folks, you should have supported this production as the factory was still alive. They were only 35$ one, new off the factory. Today you have to outbid your colleagues on Audiogon or Ebay for minimum 250$ for a pair, that is 'said' to be new. I have two of those left, the ones you see on the left. They're not for sale.
After that, the tools were sold to JJ. That's another factory, they use other materials, and there is a different company philosophy behind it, and it's just not the same tube anymore.
THE KT88 CURRENT PRODUCTION LIST

Electro Harmonix. Made for them by Reflektor Saratov, Russia.
Pro: Matching is done good. No issues with the specifications. When I verify them on the Russian L3-3 tester, using special KT88 cards, all parameters are as they should.
Contra: As with all new production tubes from Reflektor, vacuum can sometimes get lost just in storage, or cathode to grid short or lost vacuum appears directly or short after shipment sometimes.
Overall: Best value for the money.
Svetlana Winged C. Also called C Logo, written: =C=. Made by Svetlana Petersburg. It is still under current production here, though this factory as said to be closed now. So after 5 years or so, I move them to NOS.
This is the Telefunken from Russia. The crowd never honoured this factory as they still could, and per definition wants to wait until it is too late. Added this, they choose totally wrong sales partners, no good distributer, and tried to pick private orders at the same time. Moreover, to my opinion it was a serious mistake to supply New Sensor with their tubes, and allowing them to use the brand Svetlana. New Sensor started to sell Reflektor KT88 under the Svetlana S-logo brand, and it ended with legal trouble, which ended with a solution which was not very favorable to Svetlana Petersburg.
When the factory was still running, I tried to contact the Russian Svetlana. Their website was totally fuzzy to begin with, about who was in charge. Very quickly I was in contact with several people, in different countries, who all claimed to be a manager and in charge for collecting the money. I did not trust this, and I let go of it.
S-logo Svetlana. Made by Reflektor in Saratov, sold by New Sensor USA.
Pro: This tube is identical to Electro Harmonix KT88. Look for the pro's and con's there.
Con: Some like it some don't, but myself I do not like playing with brand names. IF Svetlana, then from the Svetlana factory.
JJ Czech Republic has bought the complete equipment for making Audio tubes, from Tesla, in the 1990's, when TESLA thought the market for audio tubes was not interesting anymore. Tesla wanted to focus on Transmitter tubes only. What a BIG mistake that was from Tesla. In the years after the sell off, the audio market soared, and transmitter tubes are sold less and less. The people at JJ are clever, and focussed very hard on making a good KT88, and they succeeded.
Pro: JJ KT88 is a plug & play tube, easy to buy everywhere, price is low, and competition is high. Made on original old TESLA Machines. Not using the superb TESLA Cathode materials though.
Contra:Tesla to my personal opinion is the lowest quality tube there is, I had new tubes here, which seemed not burned in at all. Already after 24 hours, they had totally changed, and not for the better. Only short form data sheets seem tot exist. Like when they little, they can not say something wrong. If you want to check for specifics in a JJ data sheet, you won't find it there. Like they build something like an ECC803S, but add a short from of the ECC83 data sheet with it. So by their own data sheet, their ECC803S is only an ECC83. The JJ KT88 data sheet is made similar. Just what you need always, in in there, and the rest not.
Conclusion: Given they are the lowest price tubes also, we should not complain about this. Not without reason, they are often used by manufacturers as first supply tubes.
Shuguang Bejing China, KT88
This factory is the largest on the planet, and they made this tube ever since. Though it has to be said, any tubes from the previous millennium were dreadful quality, they have learned from this, and actually the Chinese are able to make good KT88 if they want.
Problem with China is, they have no tradition to protect intellectual property, meaning a brand name is just a word for them. Also it is a national sport over there, to save on material cost. So yes, Chinese tubes today can be really good, but not per definition. Sorry for the good folks over there, but I think I can say it, the Chinese do not invest much in brand reputation or after sales service. So my advise is, buy them only from dealers who you have good access to.
SOVTEK KT88. Made by Reflektor in Saratov, sold by New Sensor USA.
Pro: This tube is identical to Electro Harmonix KT88. Look for the pro's and con's there. What I like about this tube, is the coke bottle glass shape.
Con: Some like it some don't, but myself I do not like playing with brand names.
Tung Sol 6550
Made by Reflektor in Saratov, sold by New Sensor USA.
Since 6550 is the same as KT88 anyway, this tube is identical to the Sovtek, apart from it's jacket.
THE BIG TUBE FACTORY LIST
back to contents

2Mb File. Download make take longer
**** DOWNLOAD LIST HERE ****
SHUGUANG FACILITIES
This is where all Chinese KT88 come from. The difference is just another jacket.





KT88 Art Impression
Made by artist and my Dutch fellowman, Kees Soeters. Thank you Kees!
***At Emission Labs there are no plans to produce these tubes****
KT88 Tube Curves measured
with SOFIA
(the BEST tube tester ever build)
Back to page contents
Many of the tube curves you find in the internet, are made on a drawing table, with a so called 'bend ruler'. I have one too, this is a ruler that you can bend. It's relict from my early work experiences where I had to draw circuit diagrams and technical drawings with pen and ink. Computers were non existent. We used real blue prints, hand made. I used to do this for two years, it was my first job when I was 18 years old. (I started my studies in electronics at the age of 26).
Such a bend ruler can do great art jobs, it's a miraculous tool, hardly known even at the days of hand made drawings. You can bend it in any curved shape, and it has a soft metal bar inside which fixes the shape. Let me give some attention to this. It's ideal to fake draw curves, as you can copy the shape of a curve with it, and draw with a nice pen this curve on a blank piece of paper. Of course you can change the shape by hand. When you have an eye for this, you can EASILY unveil these, hmm let's call it FAKE tube curves. It was done so ever since tube curves were .presented. You can have your own opinion about it, it such curves are FAKED. Myself I think yes, but manufacturers may think and say they're real. Well and they are, if they represent reality. Penciling in a few missing lines was done often.
Another way to make curves by hand is, use that old kind of tape to make printed circuit board drawings by hand. Note, PCBs were around since 1960. With that tape you can make beautiful curves, you can buy it in every line width, and you can pull if off,and stick it back on. I have seen many tube curves made with that. To me, the JJ KT88 have the optical impression being made that way.
These are cut out of the JJ KT88 tubes curves. There should be common understanding, that the distance between the tube curves must follow a logical pattern, otherwise there is something wrong with the tubes.
Now from the curves here, it can be seen, distance1 is longer than distance2. How can distance2 then be shorter than distance3? It looks to me, the -35V line has it's right corner slipped up a bit. Also you will see the end of the line is a bit random, which is another sign for artist work. Another way to make curves by hand is, use that old kind of tape to make printed circuit board drawings by hand. Note, PCBs were around since 1960. With that tape you can make beautiful curves, you can buy it in every line width, and you can pull if off,and stick it back on. I have seen many tube curves made with that. To me, the JJ KT88 have the optical impression being made that way.
When looking at the original (copy here)l, you will find more of those spots. It seems to me, these curves are hand drawn. Please don't misunderstand me, this is no attempt to say something negative about JJ tubes. Actually this method is as old as tube curves are and there is nothing wrong wit it, as long there are no attempts to 'improve' the curves that way.
It can be clearly seen, this JJ KT88 data sheet is hand made art work, and not measured with a curve tracer

KT88 triode mode connection, SOFIA Curve tracer
KT88 ultra linear mode connection
| Maximum ratings | |
| Typical operation -- Push-Pull, cathode bias | |
| Typical operation -- P-P, fixed bias tetrode, cathode biased ultra-linear | |
| Typical operation -- P-P, fixed bias ultra-linear, cathode biased triode | |
| Installation and outline | |
| Tetrode plate characteristics | |
| More tetrode plate characteristics | |
| Triode and ultra-linear(!) plate characteristic |
KT88 Links
back to this page contents
What follows now, are external links
you leave jacmusic.com
Audiomatica
Duncan amps
Push-pull KT88 class
http://www.westernelectric.com
Klaus Boening
Virtual Valve Museum
Black Forest Audio
Best Sounding KT88 on Audio Asylum Forum
http://www.fulltone.com/KTtubes.html
KT88 announced by Westrex corporation
Link to KT88 specification sheet
Part 4) 6550
The 6550 was designed by Tung-Sol, New Jersey U.S.A. and first introduced in 1954. It was the 'better' 6L6, with higher output at the same input signal. It's maximum output power is 100 Watt for a pair.
6550 and KT88 are quite similar, and the data sheet differences to my opinion result mainly from specifying things different. What does this mean? 6550 is specified more conservative than KT88 with respect to voltages and dissipation. At the introduction, Tung-Sol points out the higher reliability of this tube, which as they write, was achieved by a several construction details. So 6550 can take some more abuse, forgive some mistakes, and lasts longer when used at it's limits. Practically, this was achieved by not allowing such high plate voltage high dissipation as with KT88.
With this in mind, let me point out one an interesting detail. The Tung-Sol 6550 was defined with a maximum variation on heater voltage of 10%, which by itself is quite unusual for power tube. The cathode temperature of a power tube depends a lot on the use condition. Some PP amplifiers are made for 35 Watt output power only, while some others proudly squeeze out full 100 Watt out of the poor tubes. In case of 100Watt, anode temperature will be a lot higher, and some part of the anode heat radiates back into the tube internally. So that heats up the screen grid and the control grid, which in case of 6550 are made to withstand this (Grid coolers, and gold plating). For the cathode to be at it's ideal 950 degrees, it makes quite a difference if it is encapsulated in an anode of 400 degrees or 200 degrees. Simple because the main way out for the heater power, is radiate via the anode. Though in no data sheet anywhere, it is recommended to anticipate on this, given heater voltage variation can be as high as 10%. Though possible, it is not a good idea to use +10% heater voltage for a 100Watt PP amplifier. Much to the contrary, use it at -5% heater voltage is probably wiser, given the tube allows for +/-10% anyway.
6550 can operate at 600VDC and a screen of 400VDC, and Plate dissipation of 35 watts. We need to say here, that the MO Valve company had already build an improved 6550, it was the KT66. In 1957 the M.O.V. of England striked back with the another improved tube, their famous K.T.88, later sold as G.E.C. KT88, The KT88 had higher ratings than the 6550. It had 800VDC plate, a screen of 600 VDC, and dissipation of 42 watts, outdoing all of the previous products.
Silently and unnoticed, TELEFUNKEN GERMANY build their EL156, which is heavier and stronger than a KT88, but at that time it was not noticed by the USA 'crowd' and hey... even today it isn't. So don't tell it to anyone, and secretly pick up those NOS EL156 from Ebay :)


The CV5220
I am not fully sure, what the intention of this data sheet was. It writes in there 'prototype KT88', and indeed does NOT have the 10% heater voltage variation the the 6550. Whereas generally the military love this 10%, because of field applications. Yet, dissipation limits seem more like the 6550. So strictly speaking, CV5220 is lower specified than 6550 and KT88.
Link to CV5220 datasheet.
Not really off topic: The 8417 tube
back to contents
The 8417 is a different tube than 6550. It can handle 60V more on the Plate and 100 Volts more on the Screen, but transconductance, bias and Impedance are another. This tube has some electrical resemblance with the German EL503.
Part 5) KT90
back to contentsBasically the KT90 is a modified version of the EL509, a TV deflection tube still used in OTL amplifiers. (Check articles from the menu to find out who is the father of OTL. ) Anyway.. The EL509 is very unlinear which doesn't matter for a cathode follower like OTL, with an amplification factor of 1x, and 100% feedback. The "chassis" of the EL509 was modified for more linearity and then you get the KT90 or KT100. So it's no BIG power KT88 it's another tube made to work like a KT88. A real alternative if you want to hear another sound.
Made today by EI Yugoslavia Shuguang China JJ CZ republic and EHX Russia.
Historical KT88 and 6550 and KT90 datasheets here (scroll down to KT88 or 6550 or KT90)
we're working on this part. We'll open an old KT90 and make some pictures from the inside. Now now.... please visit us later.... Thanks!
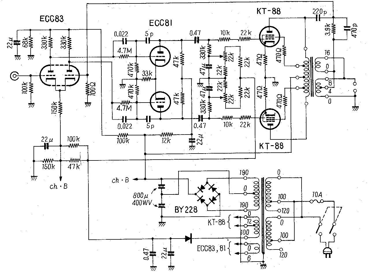
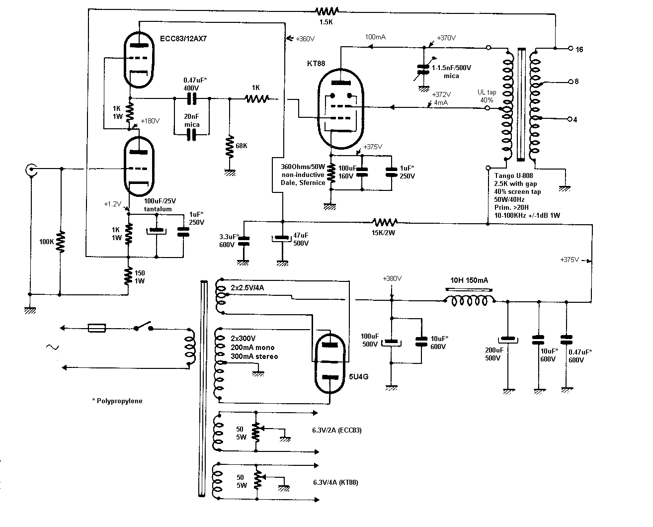
By Michaelson & Austin TVA-1. Power 70W Click on image for full size |
|
KT88 Schematic GEC Ltd in December 1957. Power 50W Click on image for full size |
|
Part 6) The infamous KT94 and KT100
Obsolete tubes, from the 1990's,which were so called better KT88, made in China, but I was never able to find out, which part of the data was better. Part numbers seem to me randomly taken by Shugang. Pictures show a a larger size bottle, but inside can be anything from a KT88 to a 6550. Most of all what is missing is a clear, FACTORY datasheet.
Part 7) The KT120
I am missing information about those. If somebody has good information to place here, please l
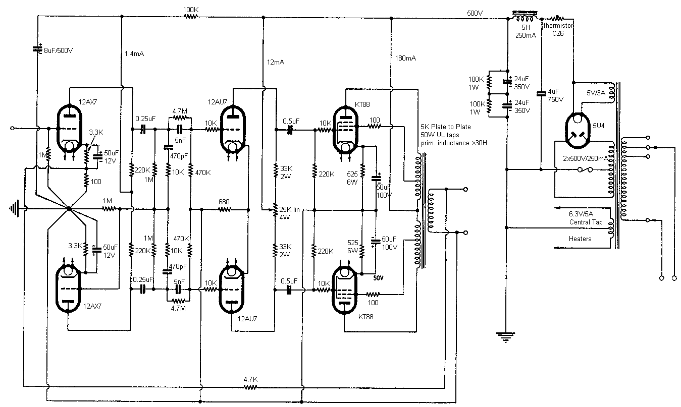
By JEAN HIRAGA 1980.
Click on image for full size
KT88 Schematic by GEC Ltd in December 1957. Power 100W.
KT88 Schematic by GEC Ltd in December 1957. Power 100W.
1. Click on image for full size.
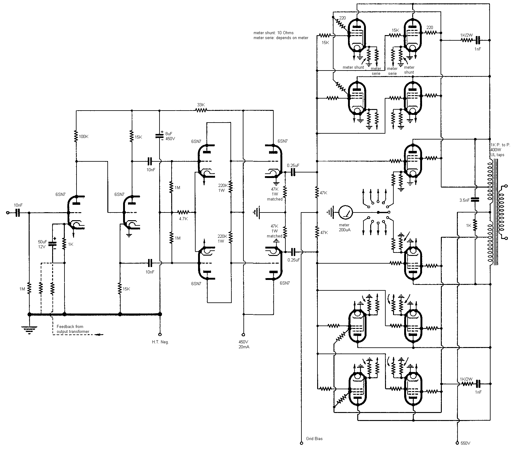
2. Click here for 50 Watt KT66 version (not KT88)
KT88 Schematic by GEC Ltd in December 1957. Power 400W.






























